Partiron

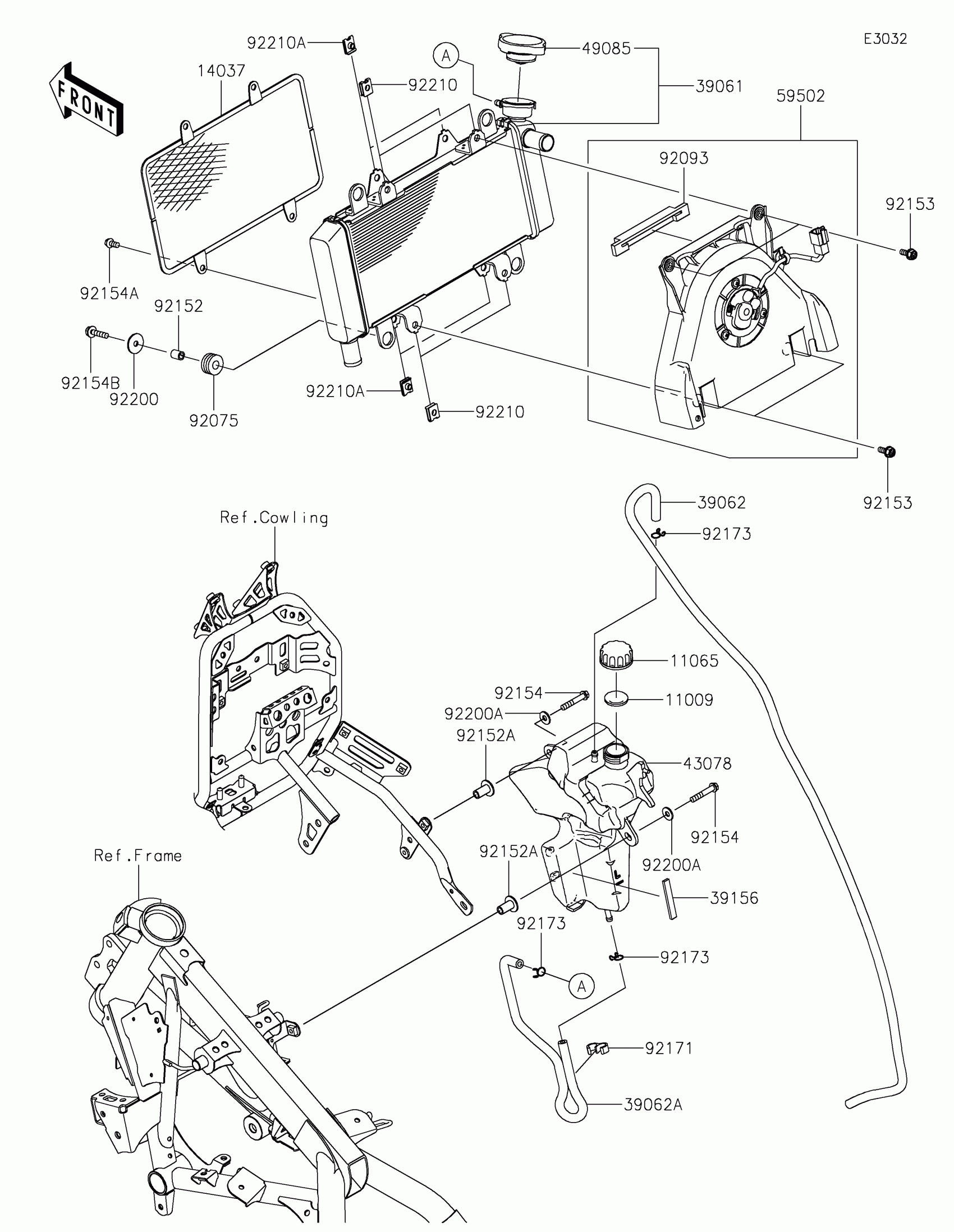
Kawasaki VERSYS®-X 300 Radiator Diagram

#

Description
Price

11009

GASKET,RESERVOIR TANK CAP

11009-1145

$1.42

11065

CAP

11065-0969

$2.02

14037

SCREEN

14037-0781

$63.70

39061

RADIATOR-ASSY

39061-0735

$655.67

39062

HOSE-COOLING,OVER FLOW

39062-0769

$16.28

39062A

HOSE-COOLING,RADI.-RESERVOIR

39062-0770

$7.60

39156

PAD,8X50X3

39156-2198

$0.63

43078

RESERVOIR

43078-0587

$43.28

49085

CAP-ASSY-PRESSURE

49085-0006

$50.52

59502

FAN-ASSY

59502-0611

$560.86

92075

DAMPER,10X24X12

92075-1690

$5.00

92093

SEAL

92093-0587

$7.64

92152

COLLAR,6.8X10X13

92152-0846

$3.65

92152A

COLLAR

92152-2283

$4.85

92153

BOLT

92153-0531

$2.61

92154

BOLT,FLANGED,6X35

92154-0807

$3.02

92154A

BOLT,FLANGED,6X12

92154-1777

$0.95

92154B

BOLT,FLANGED,6X25

92154-2556

$1.69

92171

CLAMP

92171-1184

$2.46

92173

CLAMP

92173-0050

$6.61

92200

WASHER,6.5X24X1.6

92200-0789

$1.63

92200A

WASHER,6.5X16X1.6

92200-1853

$0.72

92210

NUT

92210-1323

$4.18

92210A

NUT

92210-1518

$3.29