Partiron

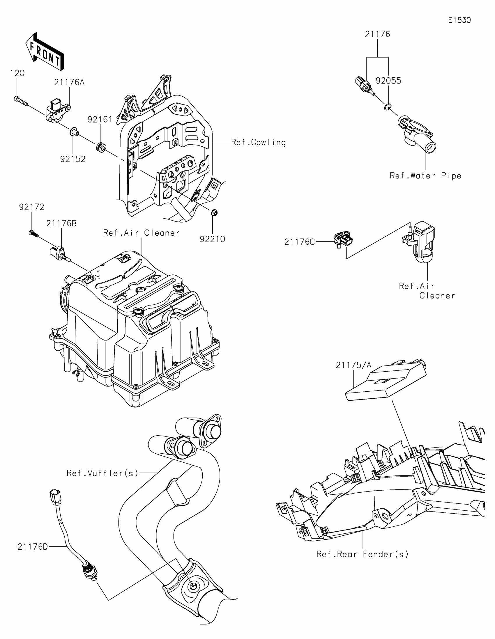
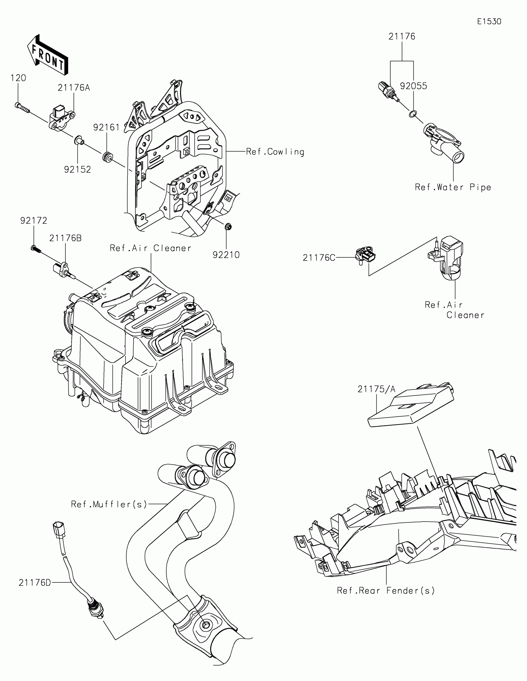
Kawasaki Versys-X 300 ABS Fuel Injection Diagram

#

Description
Price

120

BOLT-SOCKET,5X25

120CA0525

$4.71

21175

CONTROL UNIT-ELECTRONIC

21175-1262

$689.69

21175A

CONTROL UNIT-ELECTRONIC

21175-1263

$689.69

21176

SENSOR,WATER TEMP

21176-0009

$69.24

21176A

SENSOR,VEHICLE-DOWN

21176-0026

$86.97

21176B

SENSOR,AIR TEMPERATURE

21176-0048

$26.91

21176C

SENSOR,PRESSURE

21176-0111

$222.28

21176D

SENSOR,OXYGEN

21176-0839

$200.81

92055

RING-O,9.5X1.9

92055-0016

$8.89

92152

COLLAR,5.6X8X11.2

92152-1562

$2.67

92161

DAMPER,8X16X8.6

92161-0685

$6.61

92172

SCREW,TAPPING,5X16

92172-0790

$0.85

92210

NUT,FLANGED,5MM

92210-0007

$2.70