- Partiron
- OEM Parts
- Kawasaki
- motorcycle
- 2009
- VERSYS® (European)
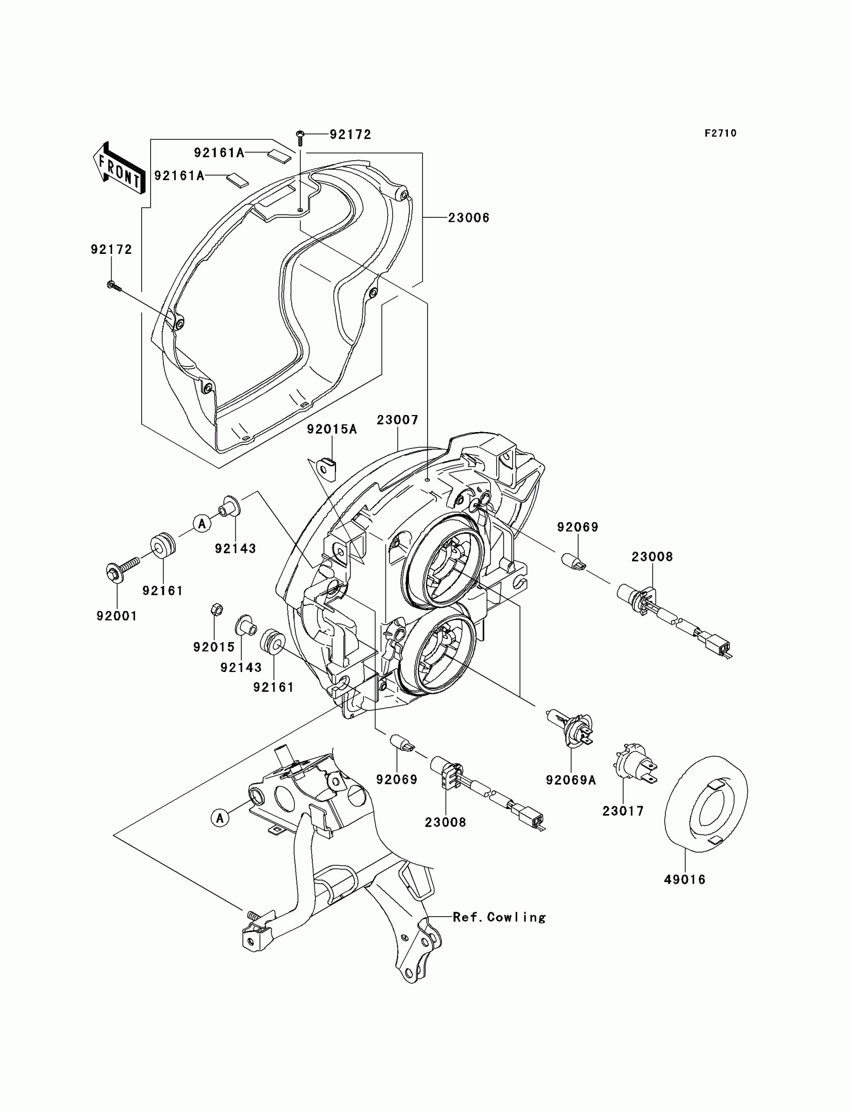
Headlight(s)
Kawasaki VERSYS® (European) Headlight(s) Diagram
#
Description
Price
92015
NUT,FLANGED,6MM,BLACK
92015-1386
Unavailable
92069A
BULB,12V 55W,H7
92069-1126
Unavailable
