- Partiron
- OEM Parts
- Kawasaki
- motorcycle
- 2014
- VERSYS® ABS
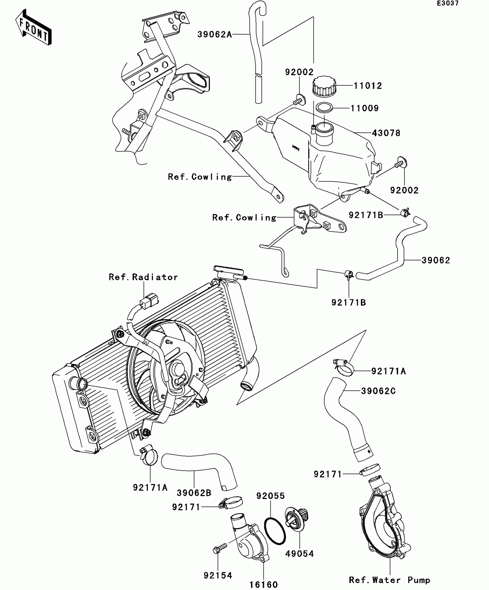
Water Pipe
Kawasaki VERSYS® ABS Water Pipe Diagram
#
Description
Price
16160
BODY,THERMO
16160-0181
Unavailable
92154
BOLT,FLANGED,6X20
92154-0814
Unavailable
