- Partiron
- OEM Parts
- Kawasaki
- motorcycle
- 2024
- Versys 650
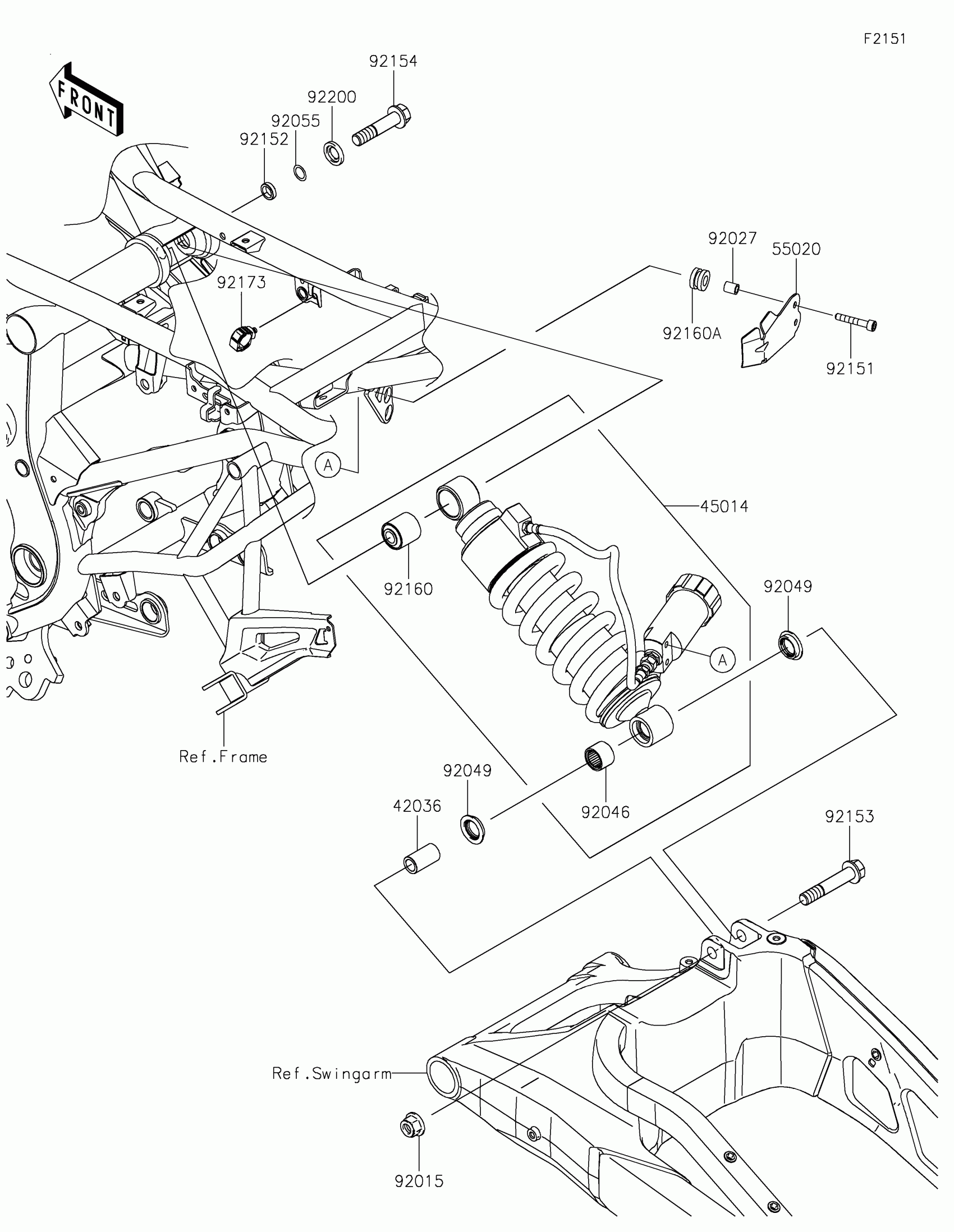
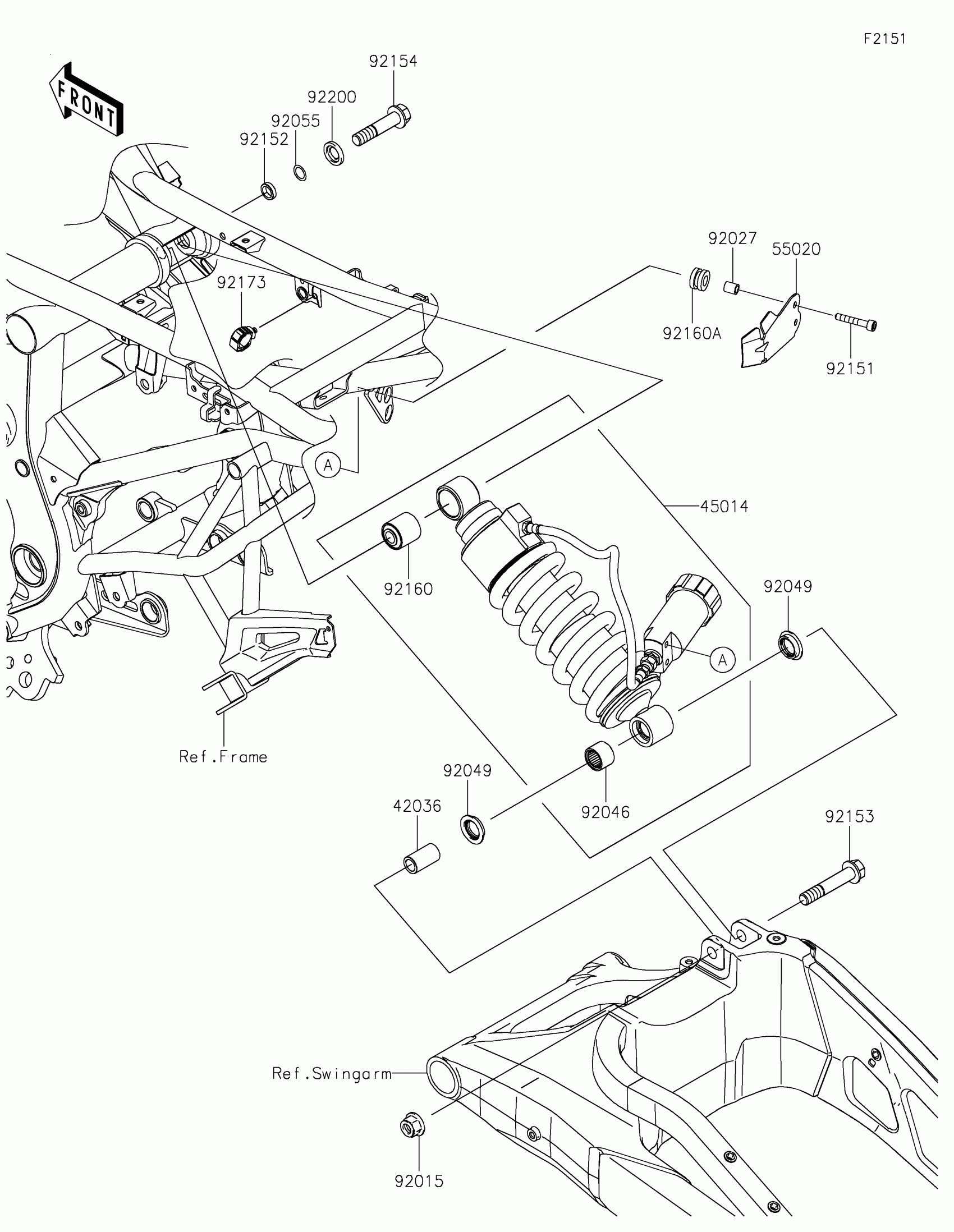
Suspension/Shock Absorber
Kawasaki Versys 650 Suspension/Shock Absorber Diagram
#
Description
Price
92055
RING-O,11.8X2.4
92055-0843
Unavailable
