- Partiron
- OEM Parts
- Kawasaki
- motorcycle
- 2024
- Versys 650
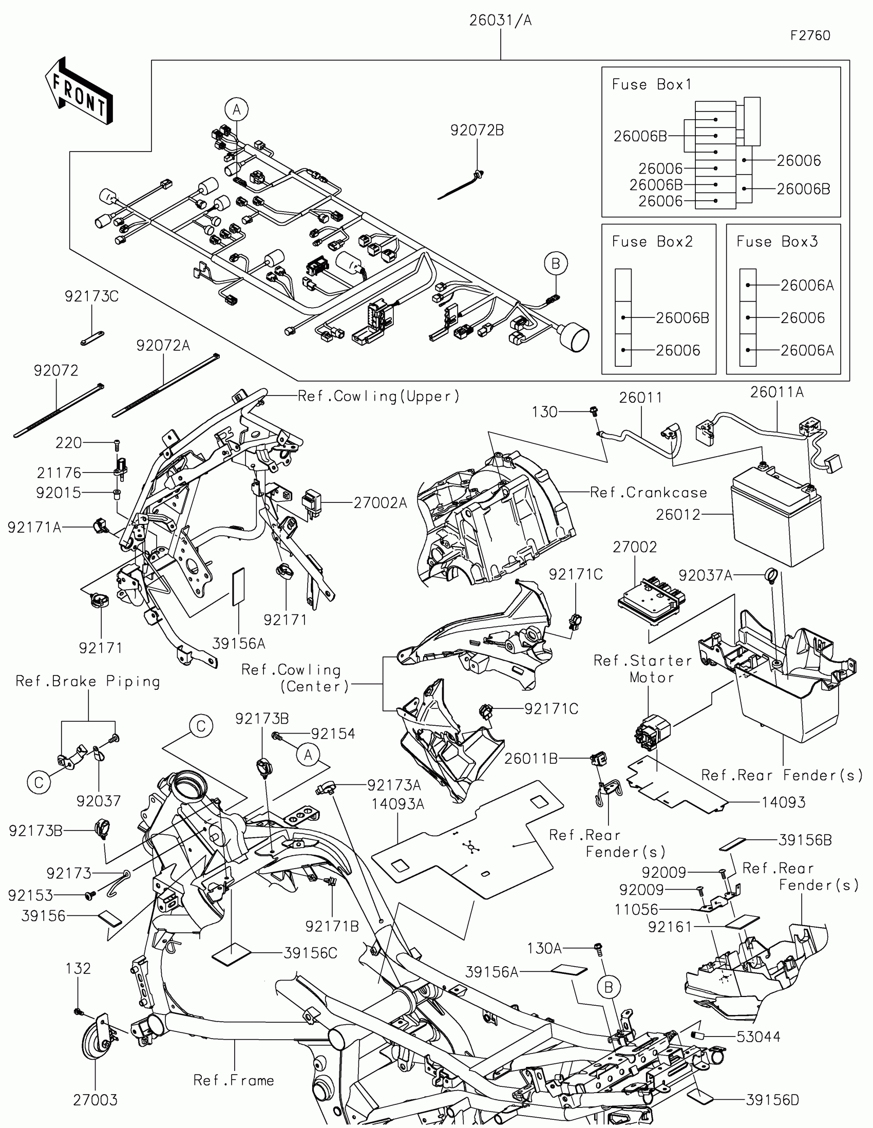
Chassis Electrical Equipment
Kawasaki Versys 650 Chassis Electrical Equipment Diagram
#
Description
Price
26012
BATTERY,FTX12-BS,12V 10AH
26012-0606
Unavailable
92072B
BAND,OS170-FT7(BLACK)
92072-1414
Unavailable
