Partiron

Kawasaki Versys 1100 SE LT ABS Footrests Diagram

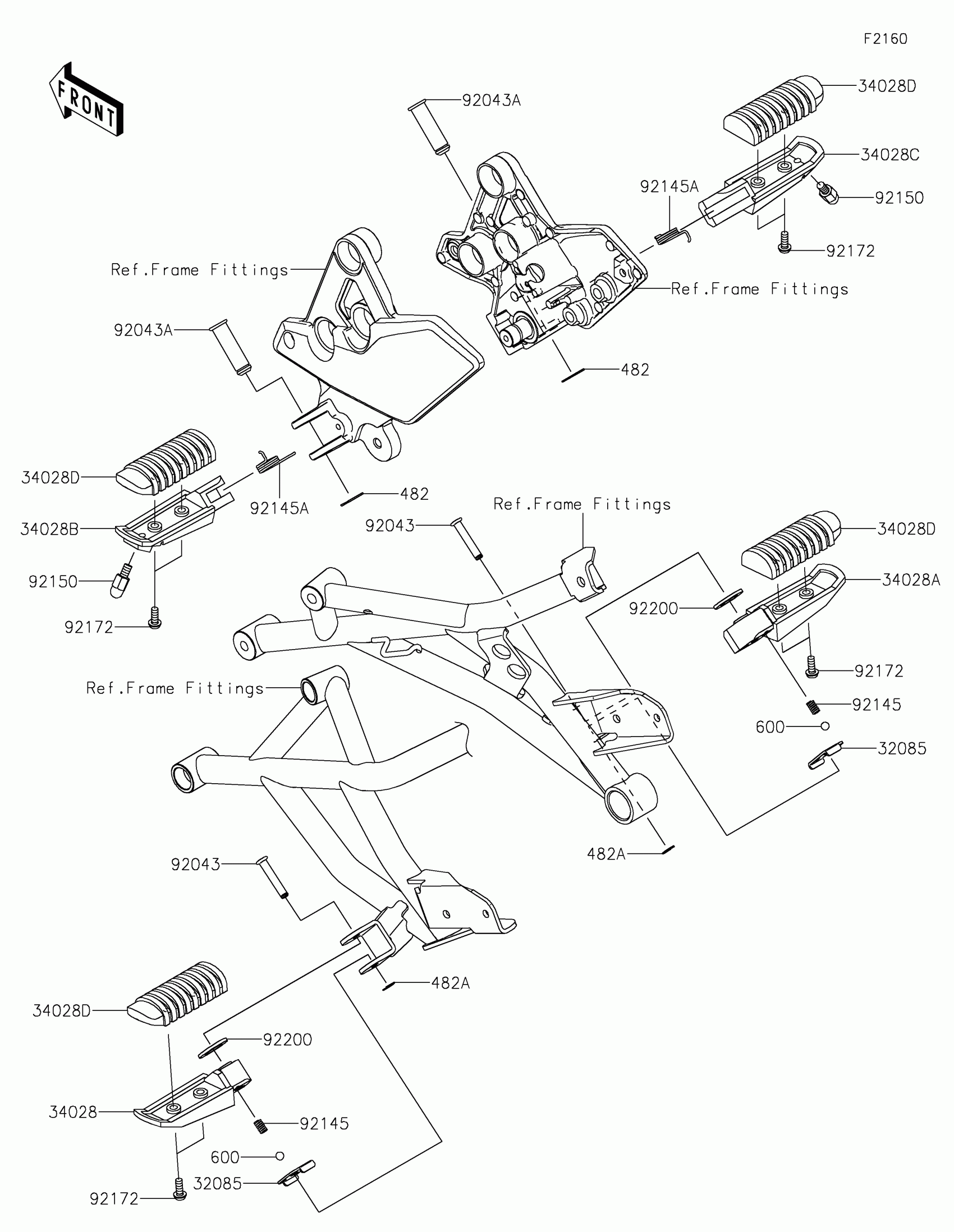
#

Description
Price

32085

STOPPER,REAR STEP

32085-0047

$5.57

34028

STEP,RR,LH

34028-0314

$45.71

34028A

STEP,RR,RH

34028-0315

$45.71

34028B

STEP,FR,LH

34028-0352

$41.53

34028C

STEP,FR,RH

34028-0353

$41.53

34028D

STEP,RUBBER

34028-1430

$22.74

92043

PIN,6X31.1

92043-0742

$6.00

92043A

PIN,12X42.5

92043-1594

$6.00

92145

SPRING

92145-1319

$1.81

92145A

SPRING

92145-1828

$6.33

92150

BOLT,BANK SENSOR

92150-1114

$11.39

92172

SCREW,5X14

92172-0976

$3.94

92200

WASHER,16X26X2.3

92200-0043

$7.65

482

CIRCLIP-TYPE-E,10MM

482EA0100

$1.04

482A

CIRCLIP-TYPE-E

482EA5000

$1.34

600

BALL-STEEL,1/4

600A0800

$0.62