Partiron

Kawasaki VERSYS® 1000 LT Generator Diagram

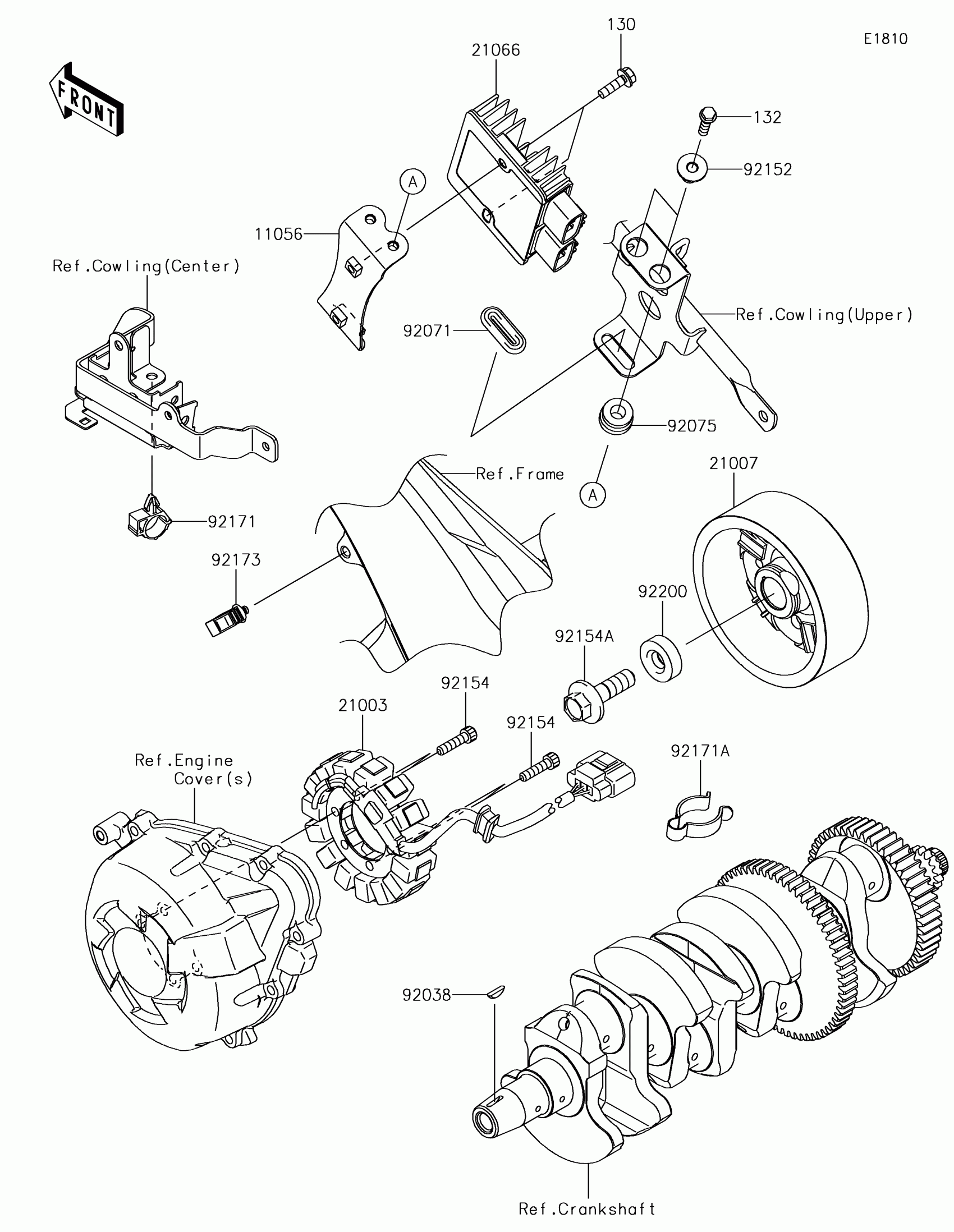
#

Description
Price

11056

BRACKET,REGULATOR

11056-4211

$12.81

130

BOLT-FLANGED,6X20

130BA0620

$1.74

132

BOLT-FLANGED-SMALL,6X25

132BA0625

$2.80

21003

STATOR

21003-0155

$816.42

21007

ROTOR

21007-0609

$612.14

21066

REGULATOR-VOLTAGE

21066-0748

$339.14

92038

KEY

92038-1060

$7.77

92071

GROMMET

92071-1187

$4.96

92075

DAMPER,RUBBER

92075-1123

$5.00

92152

COLLAR

92152-0666

$6.75

92154

BOLT,SOCKET,6X25

92154-0477

$1.94

92154A

BOLT,FLANGED,12X40

92154-2650

$12.58

92171

CLAMP,BRAKE HOSE

92171-0316

$3.88

92171A

CLAMP,CABLE

92171-1283

$10.92

92173

CLAMP,HOLDER CLIP

92173-0868

$3.02

92200

WASHER,12X34X9

92200-0369

$11.93