Partiron

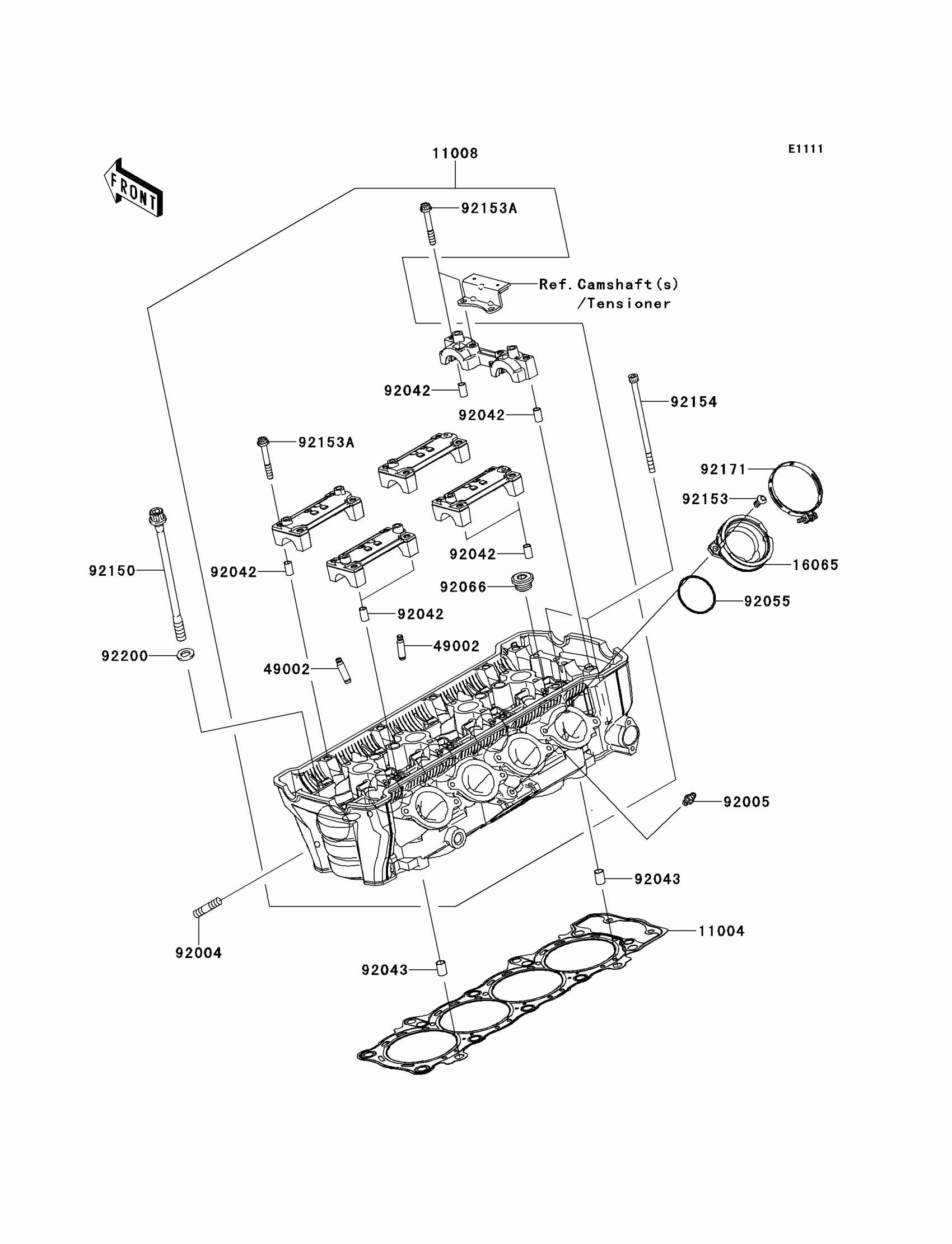
Kawasaki VERSYS® 1000 (European) Cylinder Head Diagram

#

Description
Price

11004

GASKET-HEAD

11004-0084

$104.19

11008

HEAD-COMP-CYLINDER

11008-0724

$2,614.76

16065

HOLDER-CARBURETOR

16065-0067

$40.38

49002

GUIDE-VALVE

49002-0009

$34.18

92004

STUD,8X18

92004-0049

$5.60

92005

FITTING

92005-1273

$23.17

92042

PIN,DOWEL,6.3X8X14

92042-007

$5.70

92043

PIN,8.2X10X14

92043-1264

$0.64

92055

RING-O,42X1.9

92055-1536

$2.78

92066

PLUG,18X10

92066-0016

$12.90

92150

BOLT,10X165

92150-1368

$18.89

92153

BOLT,TORX,6X14

92153-0406

$2.80

92153A

BOLT,SOCKET,6X45

92153-0656

$2.55

92154

BOLT,SOCKET,6X115

92154-0205

$8.08

92171

CLAMP,60MM

92171-0729

$18.57

92200

WASHER,10.5X19X2.3

92200-0114

$3.29