Partiron

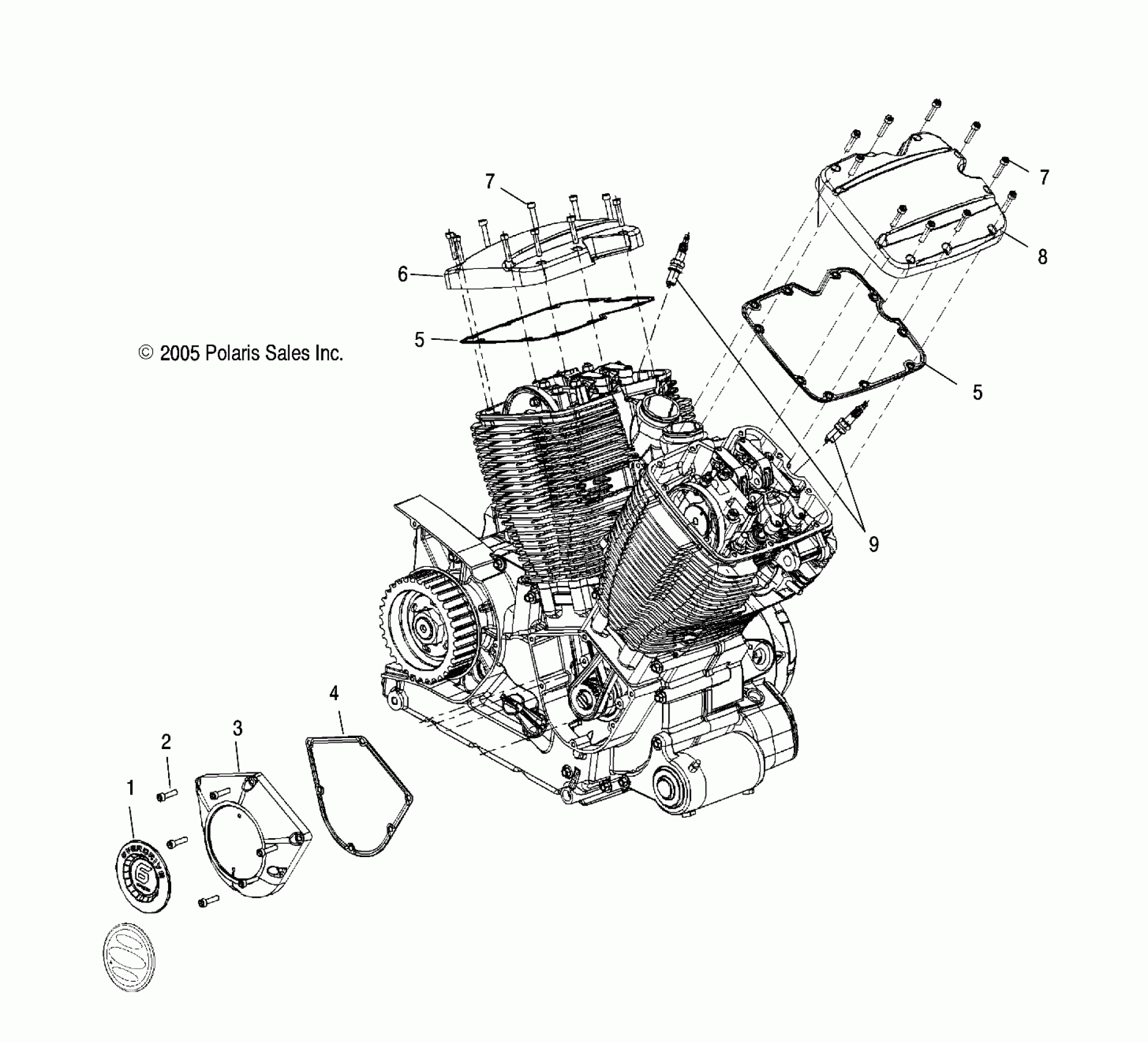
Polaris VEGAS JACKPOT ALL OPTIONS - V06XB26 ENGINE, CAM and VALVE COVERS - V06XB26/BC26 ALL OPTIONS (4999203459920345D01) Diagram

#

Description
Price

1

Cover, Cam Drive [6 Speed]

5247962

Unavailable

1

Cover, Cam Drive, Ness

5134062

$61.99

2

SCREW

7517259

$5.59

3

Cover, Cam Drive, Chrome

5133265

$204.76

4

Gasket, Cam Cover

5830224

Unavailable

5

GASKET, VALVE COVER

5830202

Unavailable

5

GASKET, VALVE COVER

5830202

Unavailable

6

Cover, Valve, Rear

5133970

$126.98

7

SCREW

7517301

$2.39

7

SCREW

7517301

$2.39

8

Cover, Valve, Front

5133969

Unavailable

9

Plug, Spark, NGK CPR6EB9

3070197

$7.94