- Partiron
- OEM Parts
- Sea-doo
- Boats
- 2003
- Utopia 185/205
- Utopia 185, 2003
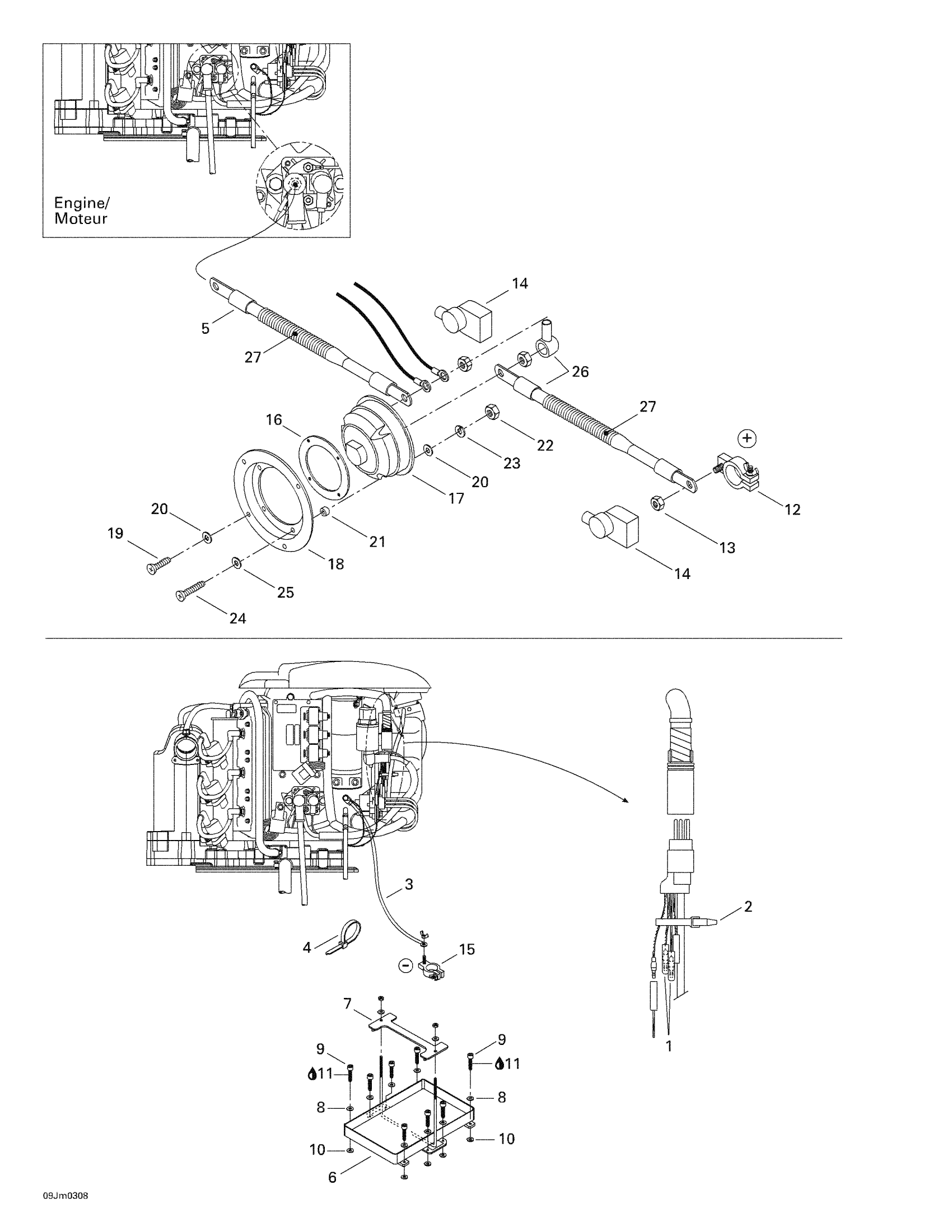
Electrical System
Sea-doo Utopia 185, 2003 Electrical System Diagram
#
Description
Price
1
RUBBER CAP - Call your local BRP dealership
204130033
Unavailable
3
Battery Ground Cable
204470389
Unavailable
5
Switch Cable, Positive
204470640
Unavailable
6
BATTERY SUPPORT - Call your local BRP dealership
204471008
Unavailable
7
TOP BATTERY SUPPORT - Call your local BRP dealership
204471290
Unavailable
8
FLAT WASHER - Call your local BRP dealership
204100069
Unavailable
10
FLAT WASHER, PLASTIC - Call your local BRP dealership
211200029
Unavailable
12
POSITIVE BATTERY POLE - Call your local BRP dealership
204470349
Unavailable
13
HEX. NUT 3/8-16 - Call your local BRP dealership
211100063
Unavailable
14
Red Boot
204470388
Unavailable
15
NEGATIVE BATTERY POLE - Call your local BRP dealership
204470348
Unavailable
16
SWITCH ADAPTOR - Call your local BRP dealership
204470813
Unavailable
17
BATTERY SWITCH - Call your local BRP dealership
204470814
Unavailable
18
SWITCH SUPPORT - Call your local BRP dealership
204470259
Unavailable
19
SOCKET HEAD SCREW M5 X 50 - Call your local BRP dealership
205455060
Unavailable
21
NYLON SPACER - Call your local BRP dealership
204470330
Unavailable
24
PHILLIPS SCREW M4.2 X 25 - Call your local BRP dealership
209642560
Unavailable
26
Switch Cable, Positive
204470640
Unavailable
27
SLIT CONDUIT, METER - Call your local BRP dealership
204550015
Unavailable
