- Partiron
- OEM Parts
- Sea-doo
- Boats
- 2003
- Utopia 185/205
- Utopia 185, 2003
Steering System
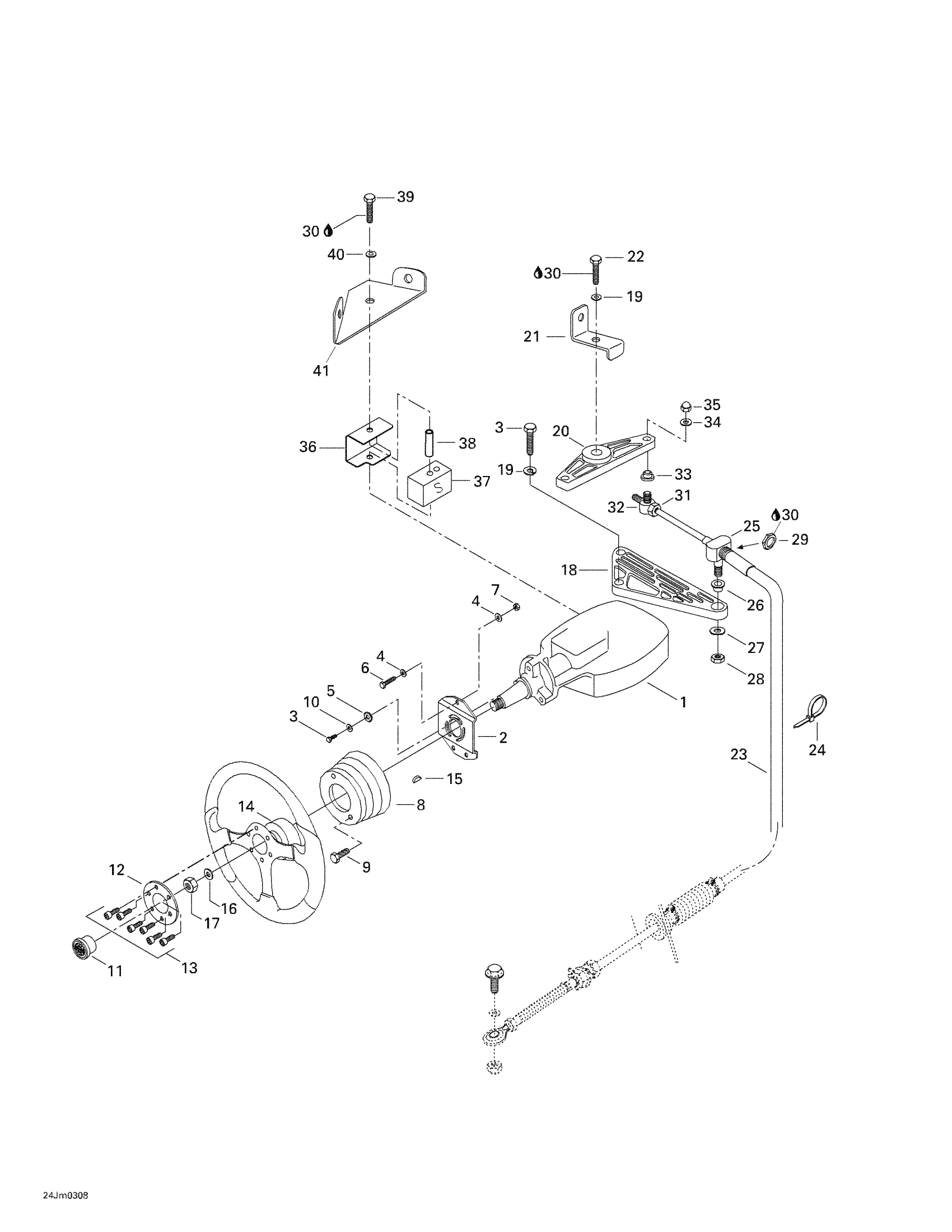
Sea-doo Utopia 185, 2003 Steering System Diagram
#
Description
Price
1
HELM ASS'Y - Call your local BRP dealership
204390244
Unavailable
2
Support
277000383
Unavailable
3
HEX. SCREW 1/4-20 X 3/4?, SCOTCH GRIP - Call your local BRP dealership
211000050
Unavailable
8
COLLAR, BLACK - Call your local BRP dealership
204390030
Unavailable
9
SCREW 8-32 X 1-1/4 - Call your local BRP dealership
204390059
Unavailable
11
Center Cap
204390327
Unavailable
12
Center Ring
204390328
Unavailable
13
SCREW PACK - Call your local BRP dealership
204390329
Unavailable
14
Nylon Hub
204390330
Unavailable
15
WOODRUFF KEY - Call your local BRP dealership
277000384
Unavailable
16
FLAT WASHER, STAINLESS - Call your local BRP dealership
211200006
Unavailable
17
LOCK NUT 1/2-20 - Call your local BRP dealership
211100021
Unavailable
18
Cable Support
204390125
Unavailable
20
HELM ARM - Call your local BRP dealership
204390250
Unavailable
21
Switch Mount
204390376
Unavailable
22
HEX. SCREW 1/4-20 X 1?, SCOTCH GRIP - Call your local BRP dealership
211000054
Unavailable
23
STEERING CABLE - Call your local BRP dealership
204390212
Unavailable
STEERING CABLE ASS'Y - Call your local BRP dealership
204390172
Unavailable
25
PIVOT 3/8? - Call your local BRP dealership
277000461
Unavailable
28
LOCK NUT - Call your local BRP dealership
211100024
Unavailable
29
HEX. JAM NUT 5/8-18 - Call your local BRP dealership
204390053
Unavailable
31
HEX. NUT 5/16-24 - Call your local BRP dealership | Single HO Engine Models
277000439
Unavailable
32
PIVOT - Call your local BRP dealership
277000456
Unavailable
33
BUSHING - Call your local BRP dealership
293350012
Unavailable
34
FLAT WASHER - Call your local BRP dealership
211200019
Unavailable
35
NUT-STOP ELASTIC MS-17830 - Call your local BRP dealership
212000005
Unavailable
36
Bumper Support
204390245
Unavailable
37
Bumper
204390246
Unavailable
38
Bushing
204130004
Unavailable
39
HEX. SCREW 1/4-20 X 2-1/2 - Call your local BRP dealership
204100014
Unavailable
41
Cam Switch
204390339
Unavailable
