Kawasaki Ultra LX Electrical Equipment Diagram
#
Description
Price
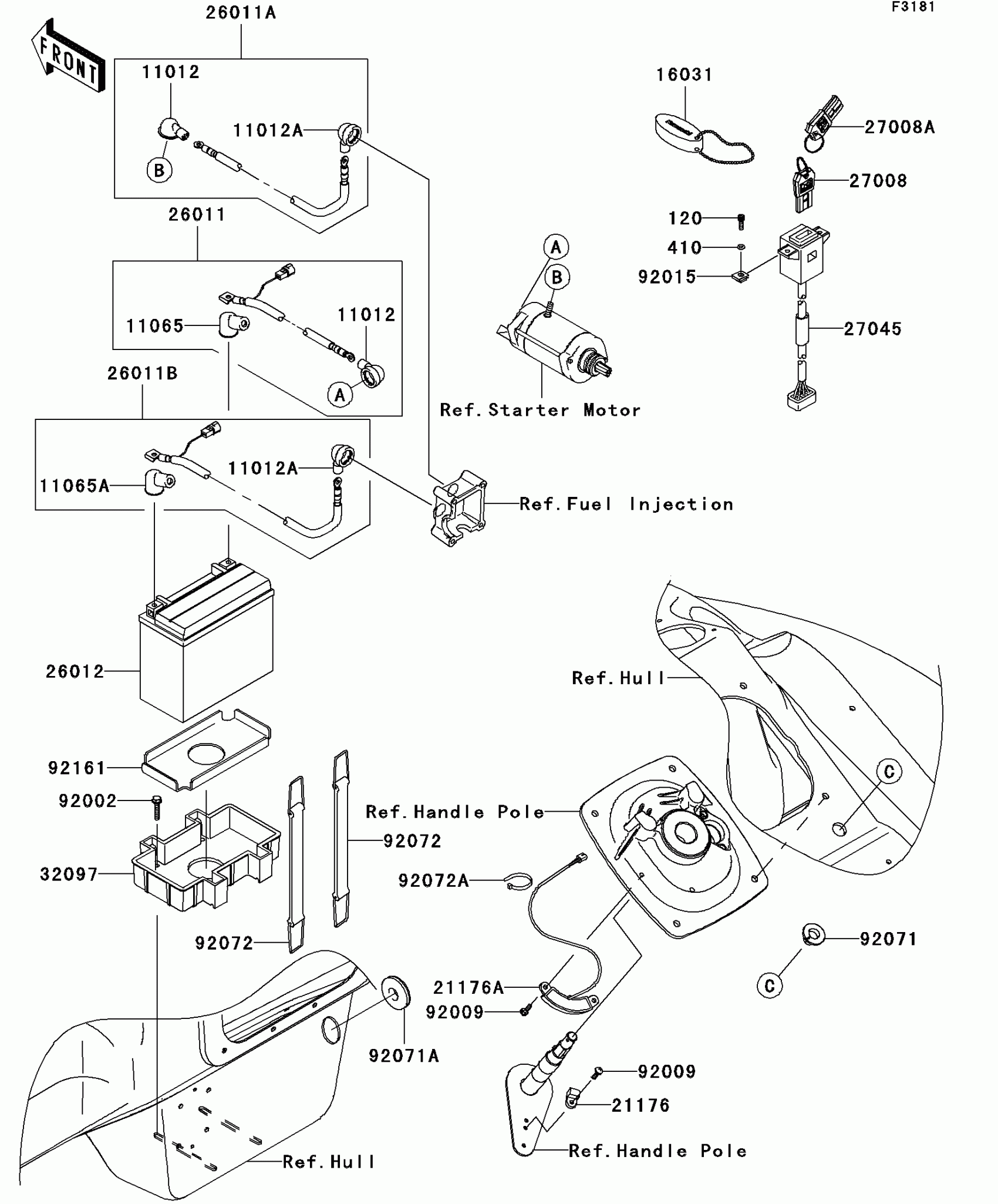
26012
BATTERY,YTX20L-BS,12V 18AH
26012-3730
Unavailable
27008
FPO MODE KEY
27008-3767
Unavailable
27045
SWITCH-ASSY
27045-3755
Unavailable
