- Partiron
- OEM Parts
- Kawasaki
- watercraft
- 2008
- Ultra 250X
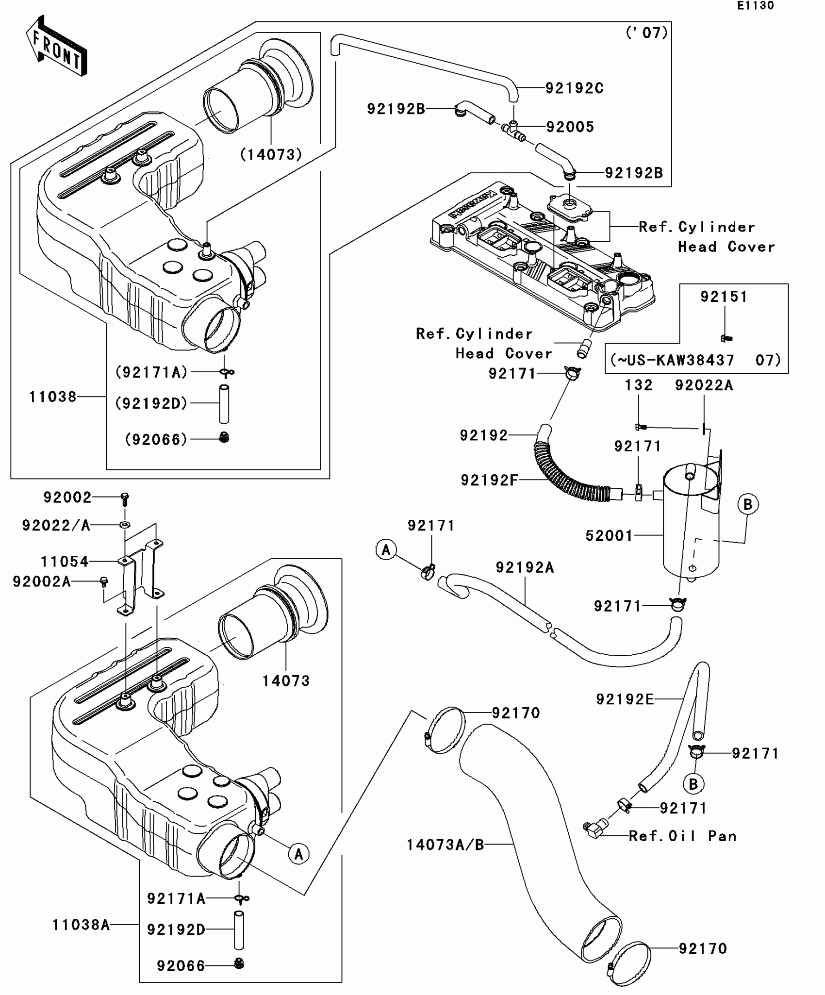
Intake Silencer
Kawasaki Ultra 250X Intake Silencer Diagram
#
Description
Price
11038A
CASE-ASSY-AIR FILTER
11038-3709
Unavailable
14073
DUCT,INLET
14073-3826
Unavailable
92171
CLAMP,TUBE
92171-3710
Unavailable
