- Partiron
- OEM Parts
- Kawasaki
- watercraft
- 2008
- Ultra 250X
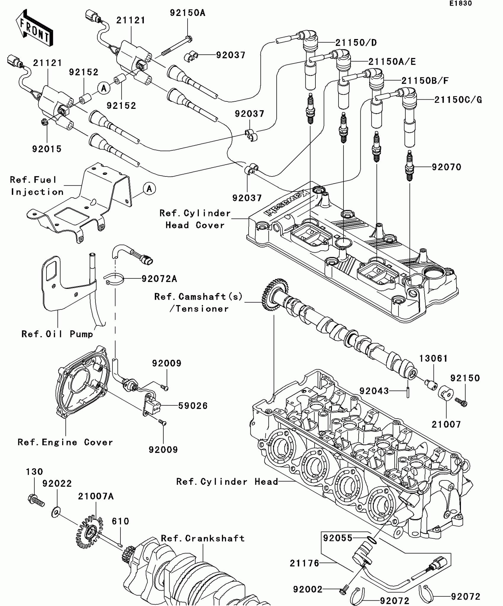
Ignition System
Kawasaki Ultra 250X Ignition System Diagram
#
Description
Price
21121
COIL-IGNITION
21121-3722
Unavailable
Ignition System
#
21121
21121-3722
Unavailable
Edit ride
