- Partiron
- OEM Parts
- Suzuki
- Motorcycle
- 2022
- UH200AM2 (2022)
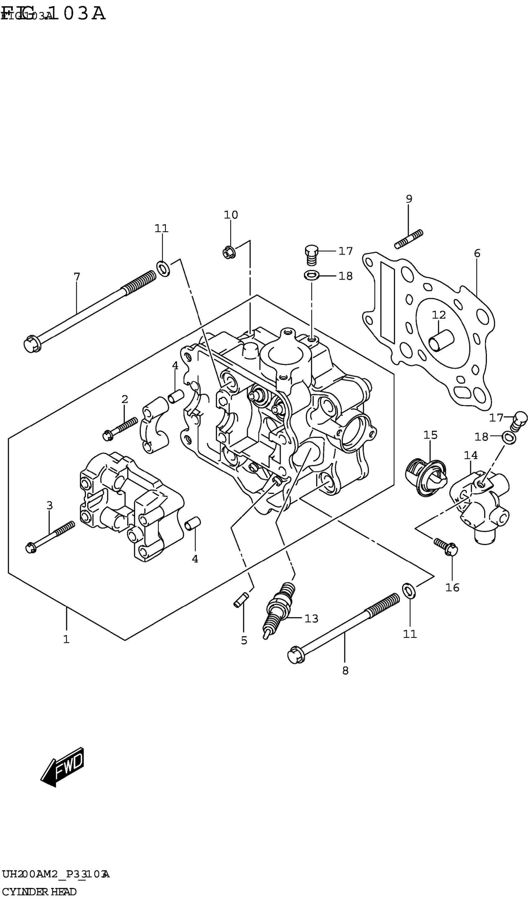
CYLINDER HEAD
Suzuki UH200AM2 (2022) CYLINDER HEAD Diagram
#
Description
Price
6
GASKET,CYLINDER HEAD
11141-03H00
Unavailable
13-2
SPARK PLUG (U22ETR)
09482-00415
Unavailable
14
COVER,THERMOSTAT
17661-14G00
Unavailable
15
THERMOSTAT,WATER
17670-08D41
Unavailable
