Partiron

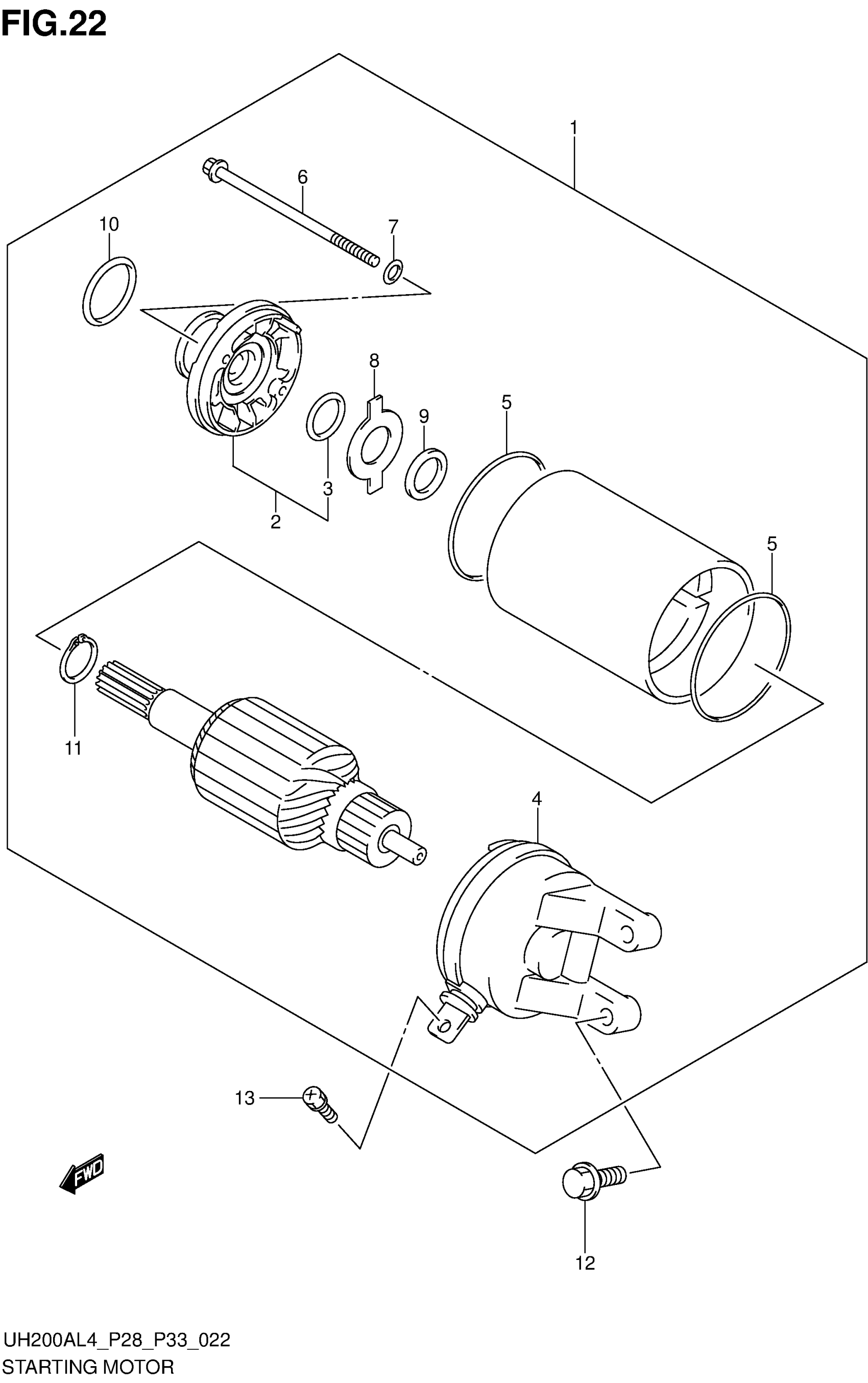
Suzuki UH200AL4 (2014) STARTING MOTOR Diagram

#

Description
Price

1

MOTOR ASSY,STARTING

31100-03H00

Unavailable

2

BRACKET

31150-08F00

Unavailable

3

OIL SEAL

31153-49210

$24.20

4

FRAME ASSY, COMMUTATOR END

31175-14F00

Unavailable

5

O RING

31264-32C10

$14.20

6

BOLT

31281-08F00

Unavailable

7

O RING

31156-08F00

$4.52

8

PLATE, LOCK

31361-32C10

Unavailable

9

SHIM

31361-38300

Unavailable

10

O RING (D:3.1,ID:24.5)

31156-40F01

$12.23

11

RING, SNAP

31361-10200

Unavailable

12

BOLT

01547-0620A

$2.03

13

SCREW (5X8)

09137-05004

$2.17