- Partiron
- OEM Parts
- Yamaha
- motorcycle
- 1976
- TZ350C (TZ350) 1976
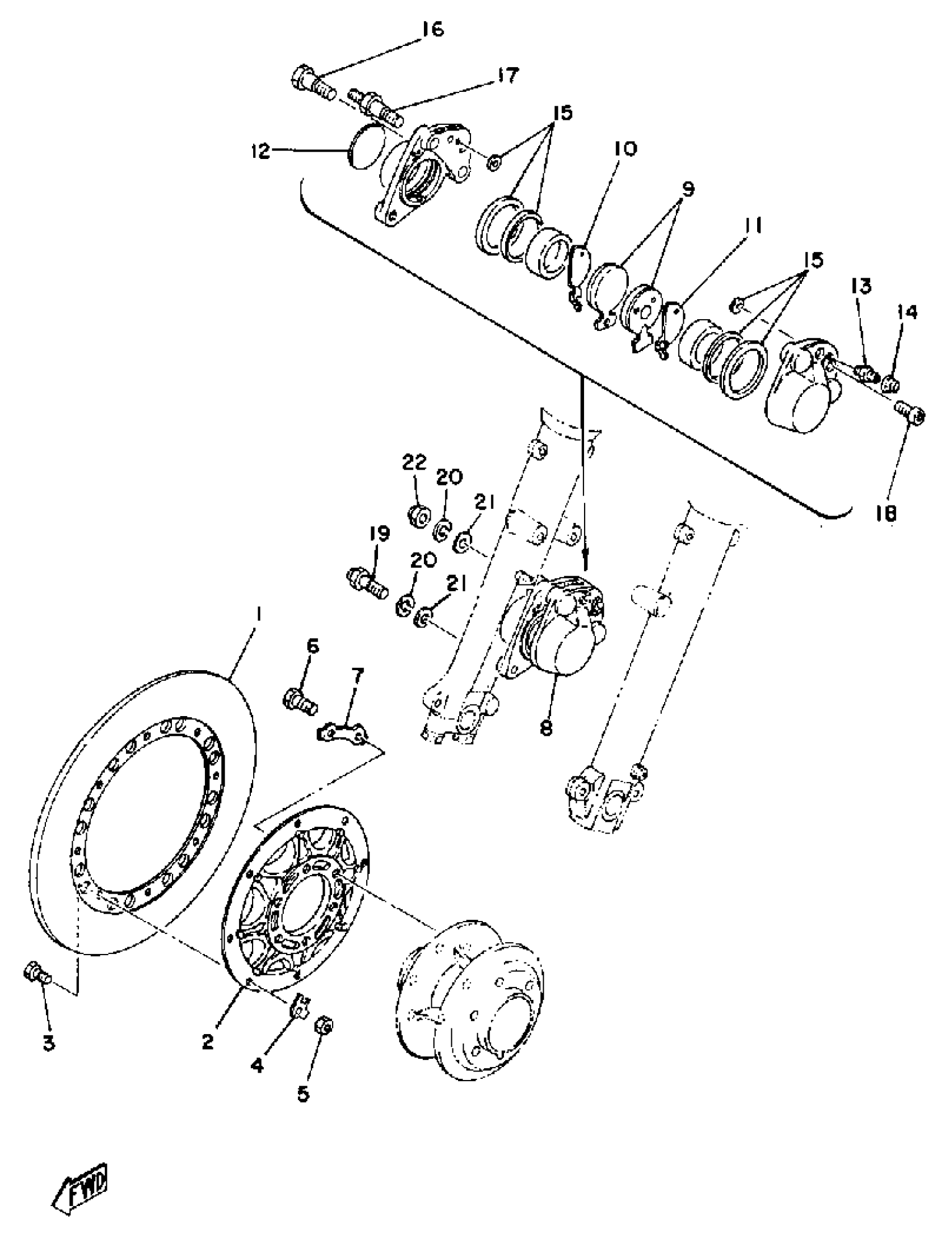
FRONT DISC BRAKE - CALIPER
Yamaha TZ350C (TZ350) 1976 FRONT DISC BRAKE - CALIPER Diagram
#
Description
Price
1
DISC, BRAKE
(409-25831-00-00)
Unavailable
2
BRACKET, DISC
(409-25832-00-00)
Unavailable
4
WASHER LOCK 306258340000
90215-06106-00
Unavailable
5
NUT, HEXAGON
95380-06600-00
Unavailable
6
BOLT
(90101-08272-00)
Unavailable
8
CALIPER ASSEMBLY
(1H3-25810-00-00)
Unavailable
9
. BRAKE PAD KIT, FRNT
409-W0045-00-00
Unavailable
10
. SHIM, CALIPER
409-25827-50-00
Unavailable
11
. SHIM, CALIPER (306-25828-02)
409-25828-50-00
Unavailable
12
. EMBLEM, CALIPER
306-25829-00-00
Unavailable
13
. SCREW, BLEED
306-25824-00-00
Unavailable
16
. BOLT 1
306-25821-01-00
Unavailable
17
. BOLT 2
306-25822-01-00
Unavailable
18
. BOLT 3
306-25826-01-00
Unavailable
19
BOLT
90109-10244-00
Unavailable
20
YBS67-10 WASHER, SPRING
92990-10100-00
Unavailable
20
YBS67-10 WASHER, SPRING
92990-10100-00
Unavailable
21
958-69527-00 WASHER, PLAIN
92990-10200-00
Unavailable
22
NUT, FLANGE(3BM)
95704-10500-00
Unavailable
