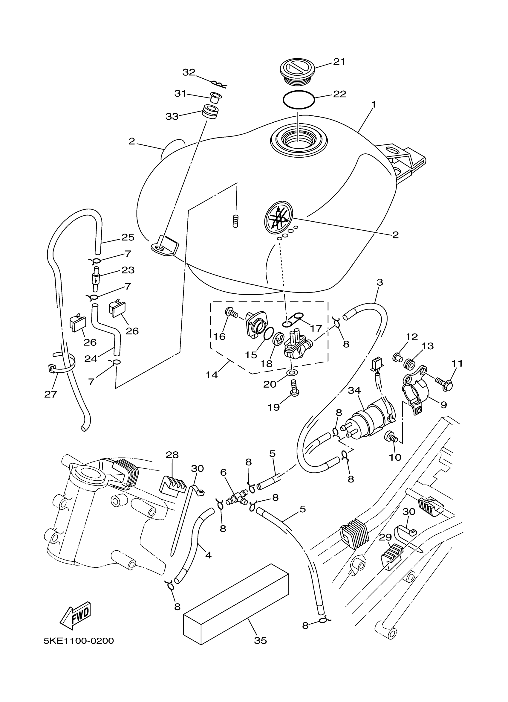
Yamaha TZ250M (TZ250) 5KE1 2000 FUEL TANK Diagram
#
Description
Price
1
FUEL TANK COMP. (WHITE)
5KE-24110-00-36
Unavailable
2
EMBLEM
5KE-2411B-00-00
Unavailable
3
PIPE, FUEL 1
5KE-24311-00-00
Unavailable
4
PIPE 2
5KE-24312-00-00
Unavailable
5
PIPE 3
5KE-24313-00-00
Unavailable
6
JOINT, FUEL PIPE
1X2-24376-00-00
Unavailable
16
SCREW, PAN HEAD (J10)
98580-03008-00
Unavailable
17
O-RING
4X8-24512-00-00
Unavailable
18
VALVE PACKING
3AC-24523-00-00
Unavailable
19
SCREW 256241430000
90149-06011-00
Unavailable
20
WASHER, PLATE(3MB)
90202-05187-00
Unavailable
21
BODY, CAP
4JT-24611-00-00
Unavailable
22
GASKET, CAP
4JT-24612-00-00
Unavailable
23
PIPE JOINT ASSY
3XJ-24380-00-00
Unavailable
24
TUBE, FLEXIBLE VINYL(8AU)
91A20-05039-00
Unavailable
25
TUBE, FLEXIBLE VINYL(8AK)
91A20-05080-00
Unavailable
26
CLAMP(3YL)
90464-25160-00
Unavailable
27
BAND
1UA-82591-00-00
Unavailable
28
DAMPER, LOCATING 1
4DP-24181-00-00
Unavailable
29
DAMPER, LOCATING 2
1RK-24182-00-00
Unavailable
30
CLAMP(MF1)
90464-15152-00
Unavailable
31
COLLAR
90387-083U8-00
Unavailable
32
CLIP
4JT-2411M-00-00
Unavailable
33
GROMMET(3AK)
90480-18495-00
Unavailable
34
FUEL PUMP COMP.
4NK-13907-01-00
Unavailable
35
PLATE 1
4JT-2411R-00-00
Unavailable
