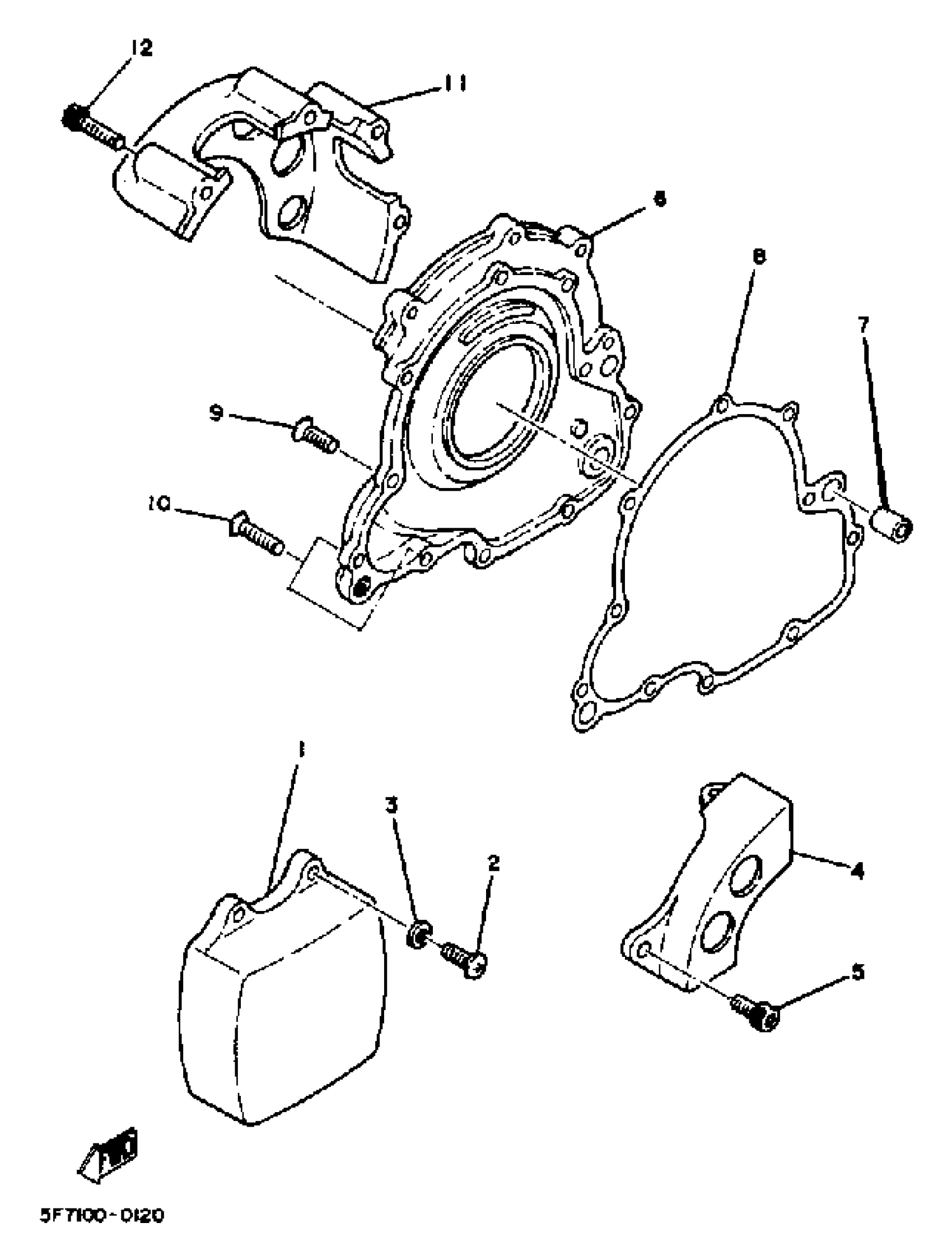
Partiron

Yamaha TZ250J (TZ250) 1982 CRANKCASE COVER Diagram

#

Description
Price

1

COVER, CRANKCASE L

(5F7-15411-00-00)

Unavailable

2

SCREW, PAN HEAD

90157-05M19-00

Unavailable

3

WASHER(1RW)

92907-05600-00

$3.78

4

COVER, CRANKCASE R

(5F7-15421-00-00)

Unavailable

5

BOLT,SOCKET

91317-06016-00

$1.25

6

COVER, CRANKCASE 3

(5F7-15431-00-00)

Unavailable

7

PIN, DOWEL(3VD)

99530-10114-00

$2.55

8

GASKET, CRCS CVR 3

5F7-15462-00-00

Unavailable

9

SCREW, CROSSRECESS (8G6)

90151-06005-00

$9.49

10

SCREW, FLAT HEAD

98780-06025-00

Unavailable

11

COVER, CAP

26J-15417-00-00

Unavailable

12

BOLT, SOCKET

91317-05050-00

$4.14