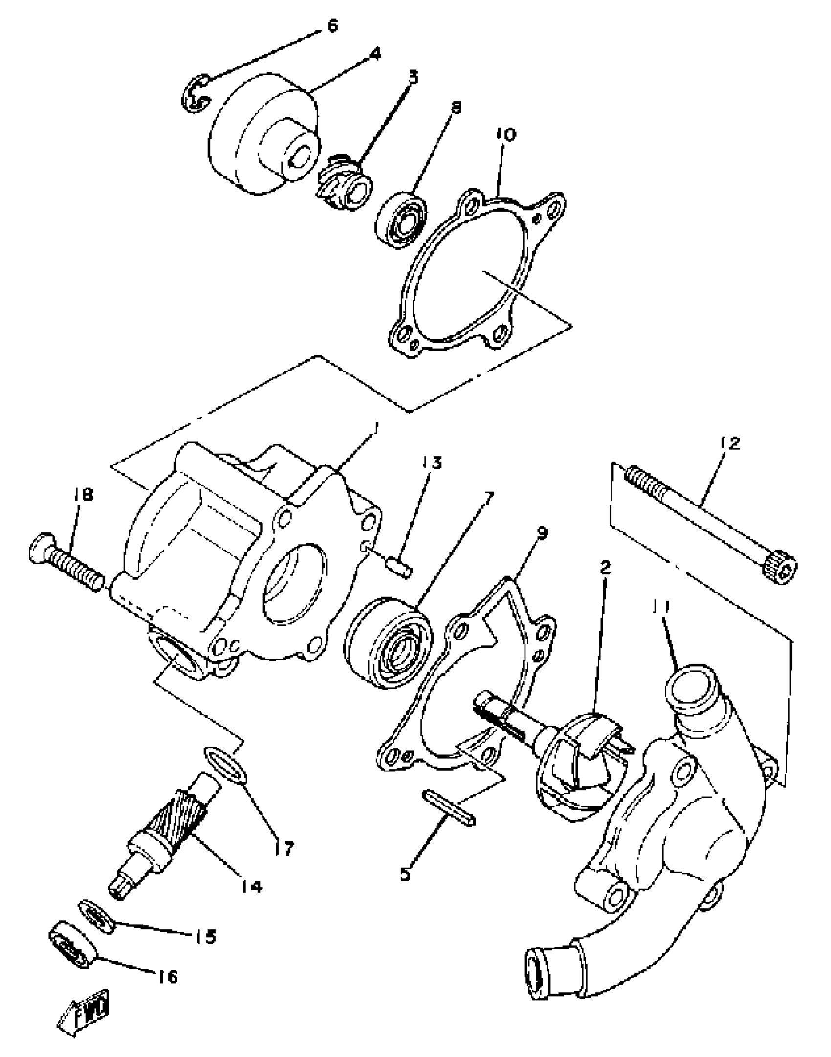
WATER PUMP
#
1
(5F7-12421-00-00)
Unavailable
2
(5F7-12450-00-00)
Unavailable
3
5F7-17831-00-00
Unavailable
4
(5F7-12459-00-00)
Unavailable
5
90282-03044-00
Unavailable
6
99080-07600-00
Unavailable
7
93103-12119-00
Unavailable
8
93300-62805-00
Unavailable
9
5F7-12427-00-00
Unavailable
10
1RK-12428-00-00
Unavailable
11
(5F7-12422-00-00)
Unavailable
14
5F7-17841-00-00
Unavailable
15
90201-12M34-00
Unavailable
16
93102-08307-00
Unavailable
17
93210-14579-00
Unavailable
18
98707-06030-00
Unavailable
Edit ride
