- Partiron
- OEM Parts
- Yamaha
- motorcycle
- 1981
- TZ250H (TZ250) 1981
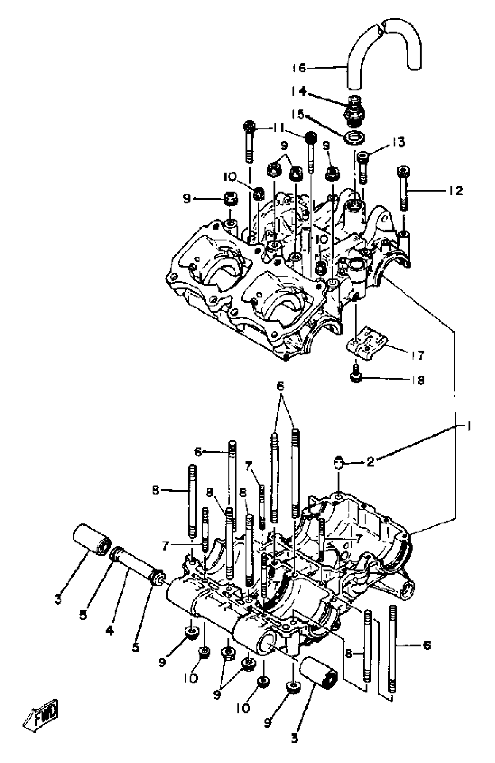
CRANKCASE
Yamaha TZ250H (TZ250) 1981 CRANKCASE Diagram
#
Description
Price
1
CRANKCASE ASSEMBLY
(5F7-15100-00-00)
Unavailable
3
DAMPER, ENG MT 1
5F7-15316-01-00
Unavailable
4
SPACER, ENG MOUNT
(5F7-15317-00-00)
Unavailable
5
. O-RING
93210-16275-00
Unavailable
6
BOLT, STUD
90116-08212-00
Unavailable
7
BOLT, STUD
(90116-06341-00)
Unavailable
8
BOLT,STUD
90116-08371-00
Unavailable
10
NUT (21W)
90179-06403-00
Unavailable
13
BOLT,SOCKET
91317-06035-00
Unavailable
14
BREATHER
4A0-15371-00-00
Unavailable
15
GASKET, BREATHER
(4A0-15374-00-00)
Unavailable
16
PIPE, BREATHER
(4A0-15373-00-00)
Unavailable
17
PLATE, BREATHER
(5F7-11165-01-00)
Unavailable
18
BOLT, SOCKET
91317-05012-00
Unavailable
