Partiron

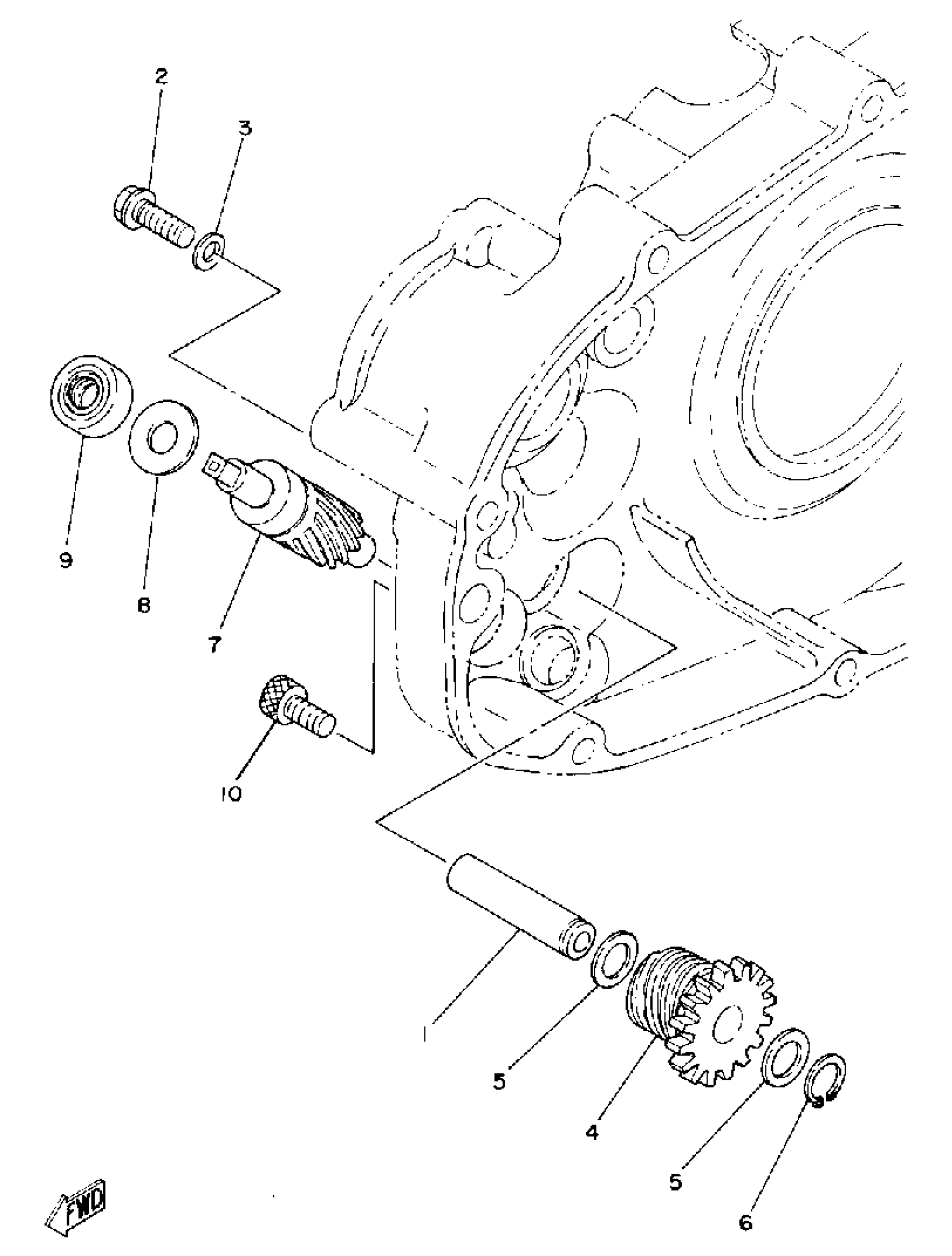
Yamaha TZ125G (TZ125G) 1980 TACHOMETER GEAR Diagram

#

Description
Price

1

AXLE, DRIVE GEAR

(3V3-17861-00-00)

Unavailable

2

BOLT, FLANGE

95817-06016-00

$2.75

3

GASKET 838153840000

90430-06016-00

$8.49

4

GEAR, DRIVE

(3V3-17831-00-00)

Unavailable

5

WASHER, PLAIN 2562171501

90201-10123-00

$7.49

6

CIRCLIP(10W)

99009-10400-00

$4.73

7

GEAR, DRIVEN

(3V3-17841-00-00)

Unavailable

8

WASHER, PLATE

(90201-08779-00)

Unavailable

9

OIL SEAL (30X)

93102-08307-00

$7.49

10

BOLT,SOCKET

91317-06012-00

$8.49