- Partiron
- OEM Parts
- Yamaha
- motorcycle
- 1980
- TZ125G (TZ125G) 1980
RADIATOR - HOSE
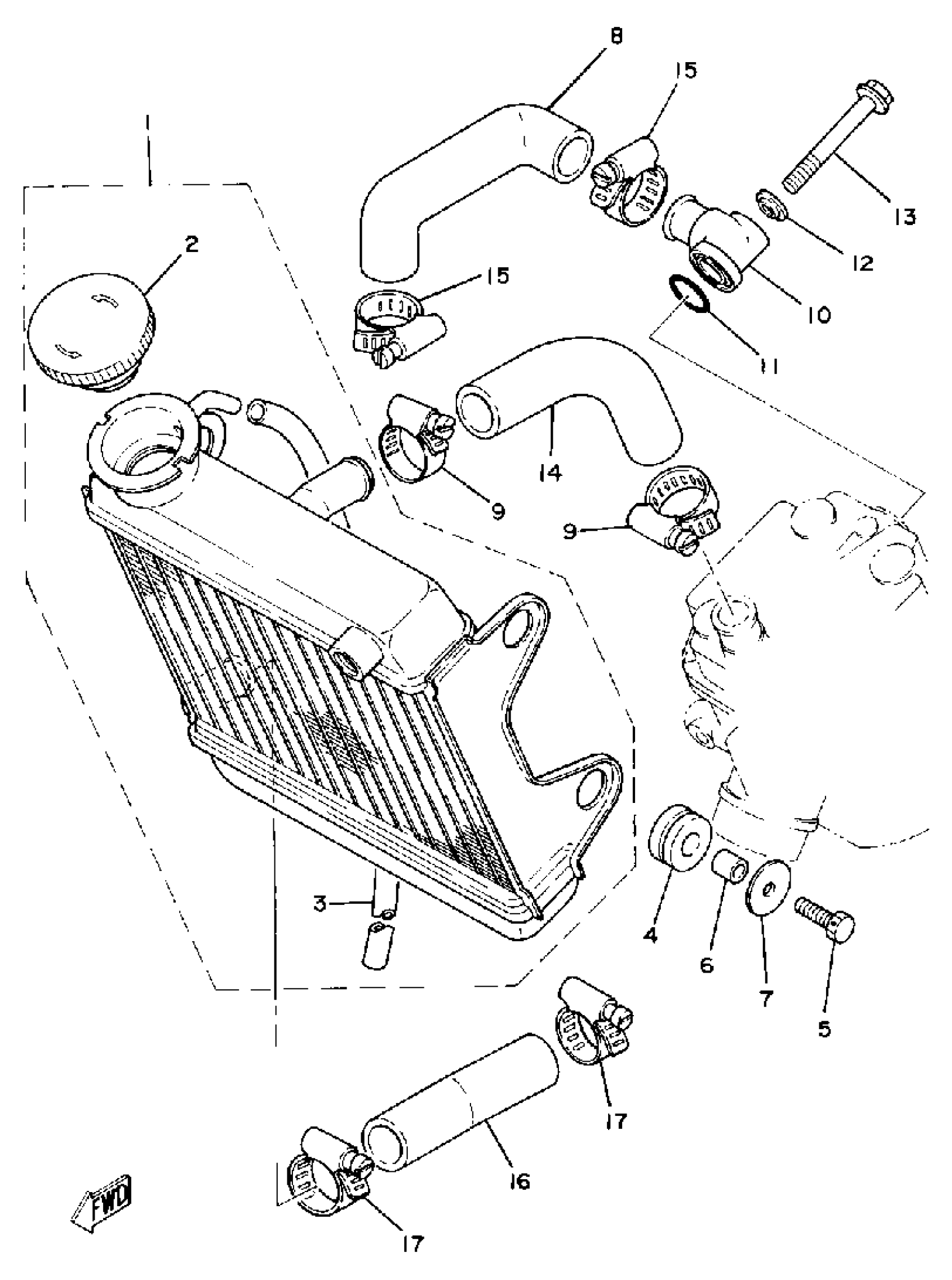
Yamaha TZ125G (TZ125G) 1980 RADIATOR - HOSE Diagram
#
Description
Price
1
RADIATOR ASSEMBLY
(3V3-12460-00-00)
Unavailable
3
PIPE, BREATHER
(383-12463-00-00)
Unavailable
8
PIPE 1
(3V3-12481-00-00)
Unavailable
9
CLAMP, HOSE
90460-38292-00
Unavailable
10
JOINT
3V3-12479-00-00
Unavailable
14
PIPE 2
3V3-12482-00-00
Unavailable
15
CLAMP, HOSE
90460-38292-00
Unavailable
16
PIPE 3
(3V3-12483-00-00)
Unavailable
17
CLAMP, HOSE
90460-38292-00
Unavailable
