- Partiron
- OEM Parts
- Yamaha
- motorcycle
- 1974
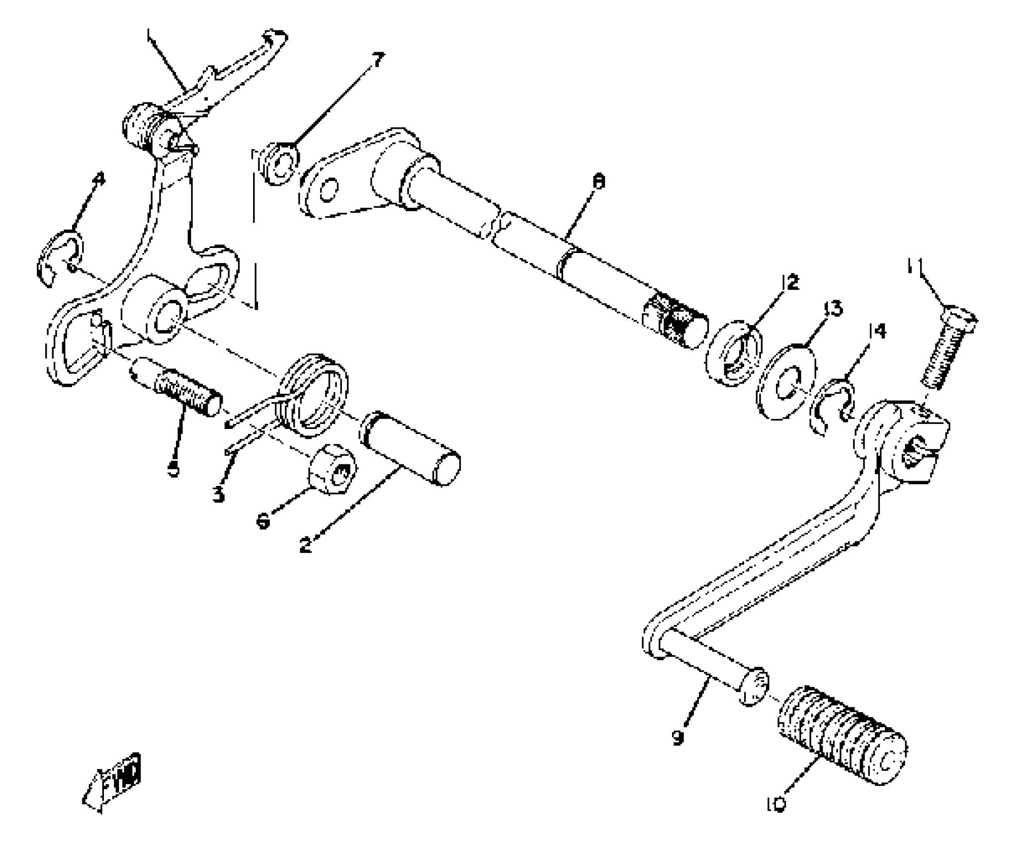
- TY80A (TY80) 1974
SHIFTER 2
Yamaha TY80A (TY80) 1974 SHIFTER 2 Diagram
#
Description
Price
1
SHIFT LEVER ASSEMBLY
353-18120-00-00
Unavailable
2
SHAFT
367-18197-00-00
Unavailable
3
SPRING TORSION 353181240000
90508-32054-00
Unavailable
7
ROLLER, SHIFT LEVER
214-18178-00-00
Unavailable
8
SHIFT SHAFT ASSEMBLY. 1
451-18101-01-00
Unavailable
9
PEDAL, CHANGE
2W5-18111-00-00
Unavailable
10
UNAVAILABLE IN PRICE BOOK
132-18112-01-00
Unavailable
