- Partiron
- OEM Parts
- Yamaha
- motorcycle
- 1986
- TY350S (TRIAL) 1986
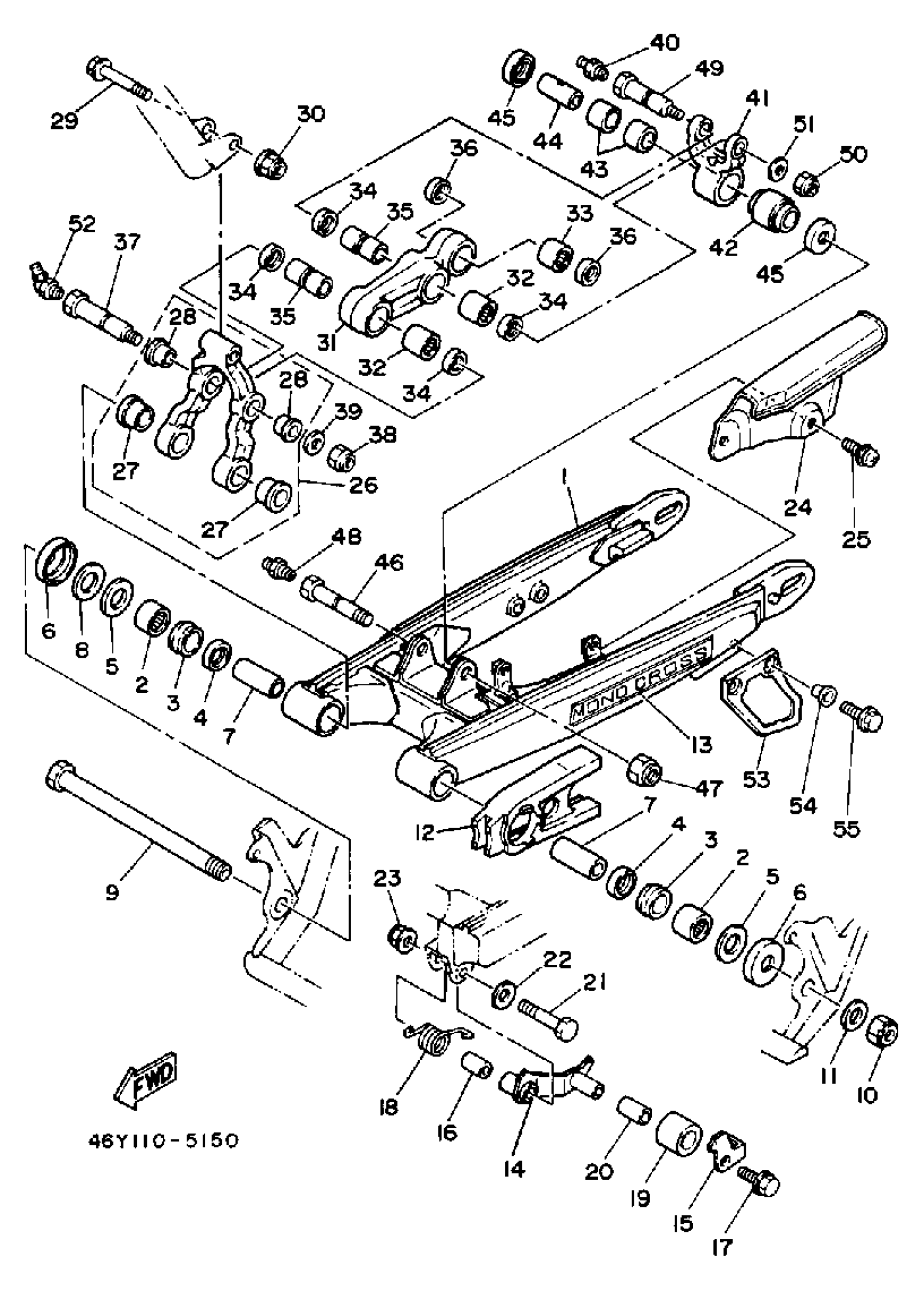
SWING ARM
Yamaha TY350S (TRIAL) 1986 SWING ARM Diagram
#
1
REAR ARM
(38V-22110-10-FH)
Unavailable
5
WASHER, PLATE
90201-222F4-00
Unavailable
7
BUSH, SOLID(38V)
90380-16134-00
Unavailable
9
SHAFT, PIVOT
5X4-22141-01-00
Unavailable
12
PROTECTOR, CHAIN
38V-22147-10-00
Unavailable
13
EMBLEM, REAR ARM
38V-2218A-00-00
Unavailable
14
ARM, TENSIONER
38V-22179-02-FH
Unavailable
15
ARM 1
38V-2217M-01-00
Unavailable
16
BUSH, SOLID(38V)
90380-08136-00
Unavailable
17
BOLT, FLANGE (3JPE)
95024-08016-00
Unavailable
18
SPRING, TORSION 46Y
90508-35675-00
Unavailable
19
TENSIONER
5X6-22178-00-00
Unavailable
20
BUSH
4V4-22184-00-00
Unavailable
21
BOLT (2W6)
90101-08428-00
Unavailable
22
WASHER, PLATE(49E)
90201-087H6-00
Unavailable
23
NUT, SELF-LOCKING
90185-08169-00
Unavailable
24
CASE, CHAIN
38V-22311-00-00
Unavailable
25
SCREW, W/WASHER
90159-06032-00
Unavailable
26
BRACKET, RELAY
(38V-2217Y-00-00)
Unavailable
27
BUSH, SOLID 46Y
90381-16052-00
Unavailable
28
BUSH, SOLID 46Y
90381-12051-00
Unavailable
29
BOLT, WASHR BASD46Y
(90105-08292-00)
Unavailable
30
NUT, SELF-LOCKING
90185-08169-00
Unavailable
31
ARM, RELAY
(38V-2217A-00-00)
Unavailable
32
BEARING, CYLINDRICAL (23X)
93315-31732-00
Unavailable
33
BEARING, CYLIN 46Y
93317-21647-00
Unavailable
34
OIL SEAL(38V)
93109-17048-00
Unavailable
35
BUSH, SOLID 46Y
90380-12135-00
Unavailable
36
OIL SEAL (22W)
93109-16035-00
Unavailable
37
BOLT
90109-10702-00
Unavailable
38
NUT, SELF LOCKING (23X)
90185-10120-00
Unavailable
39
WASHER (7A9)
90201-100F7-00
Unavailable
40
NIPPLE, GREASE
93700-06M03-00
Unavailable
41
ROD, CONNECTING 1
(38V-2217F-00-00)
Unavailable
42
. BUSH, SHOCK ABS LWR
5X6-22226-00-00
Unavailable
43
BUSH, BIMETAL FORMED (5X6)
90384-18157-00
Unavailable
44
BUSHING, REAR ARM INNER
2J5-22124-00-00
Unavailable
45
COVER, THRUST 2
5X6-22129-00-00
Unavailable
46
BOLT 46Y
90101-12597-00
Unavailable
47
NUT, SELF LOCKING (23X)
90185-12119-00
Unavailable
48
NIPPLE, GREASE
93700-06M03-00
Unavailable
49
BOLT 46Y
90101-10598-00
Unavailable
50
NUT, SELF LOCKING (23X)
90185-10120-00
Unavailable
51
WASHER (7A9)
90201-100F7-00
Unavailable
52
NIPPLE, GREASE
93700-06005-00
Unavailable
53
SUPPORT, CHAIN
38V-22199-00-00
Unavailable
54
COLLAR (3L6)
90387-06737-00
Unavailable
55
BOLT, FLANGE
95817-06020-00
Unavailable
