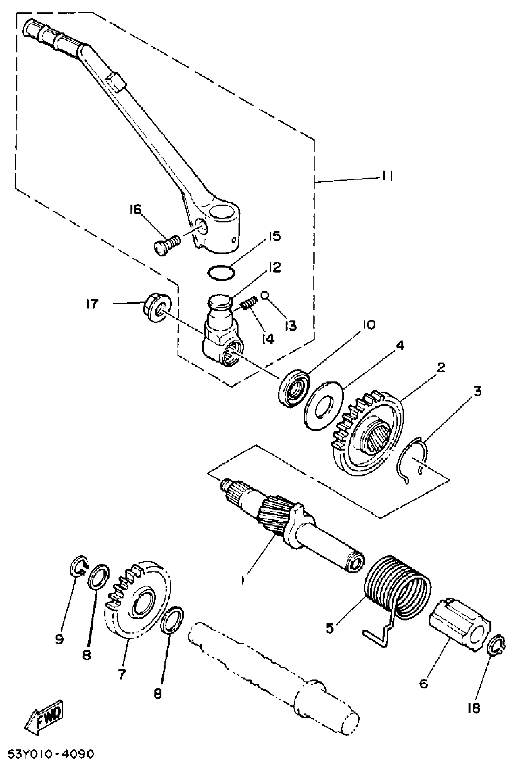
Yamaha TY350S (TRIAL) 1986 STARTER Diagram
#
Description
Price
1
KICK AXLE ASSEMBLY
38V-15660-00-00
Unavailable
2
GEAR, KICK
38V-15641-01-00
Unavailable
4
WASHER, PLATE
90201-20358-00
Unavailable
5
SPRING, TORSION 46Y
90508-30632-00
Unavailable
6
GUIDE, SPRING
(38V-15664-00-00)
Unavailable
7
GEAR, KICK IDLE (23T)
38V-15651-00-00
Unavailable
11
KICK CRANK ASSEMBLY
53Y-15620-00-00
Unavailable
12
BOSS, KICK CRANK
(53Y-15621-00-00)
Unavailable
16
SCREW, COUNTERSUNK (5Y1)
90152-06010-00
Unavailable
17
NUT(1EE)
90179-12659-00
Unavailable
18
CIRCLIP (525)
93410-17037-00
Unavailable
