- Partiron
- OEM Parts
- Yamaha
- motorcycle
- 1986
- TY350S (TRIAL) 1986
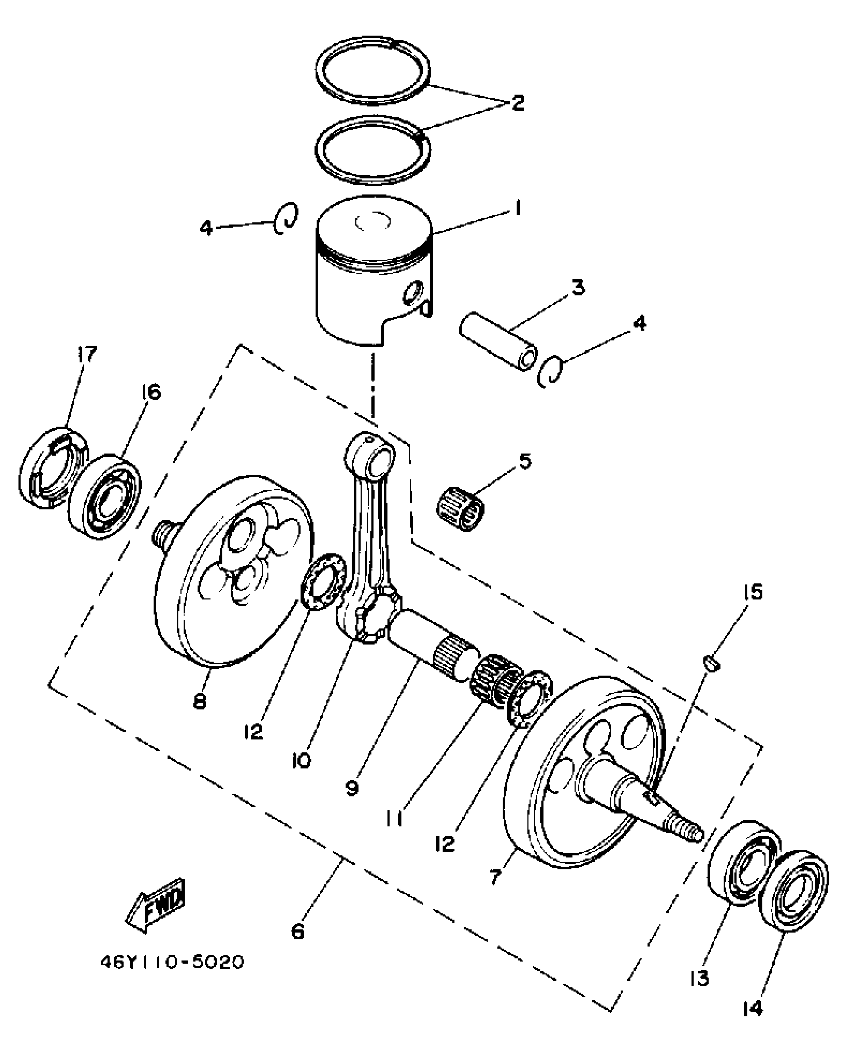
CRANKSHAFT - PISTON
Yamaha TY350S (TRIAL) 1986 CRANKSHAFT - PISTON Diagram
#
Description
Price
1
PISTON STD
46Y-11631-00-X0
Unavailable
2
PISTON RINGSET STD
46Y-11601-00-00
Unavailable
6
CRANKSHAFT ASSEMBLY
38V-11400-00-00
Unavailable
7
CRANK 1
(38V-11412-00-00)
Unavailable
8
CRANK 2
(38V-11422-00-00)
Unavailable
10
. ROD, CONNECTING
24Y-11651-01-00
Unavailable
11
BEARING, CYLINDRICAL(4JW)
93310-425P2-00
Unavailable
17
OIL SEAL (434)
93103-40091-00
Unavailable
