- Partiron
- OEM Parts
- Yamaha
- motorcycle
- 1976
- TY250C (TY250) 1976
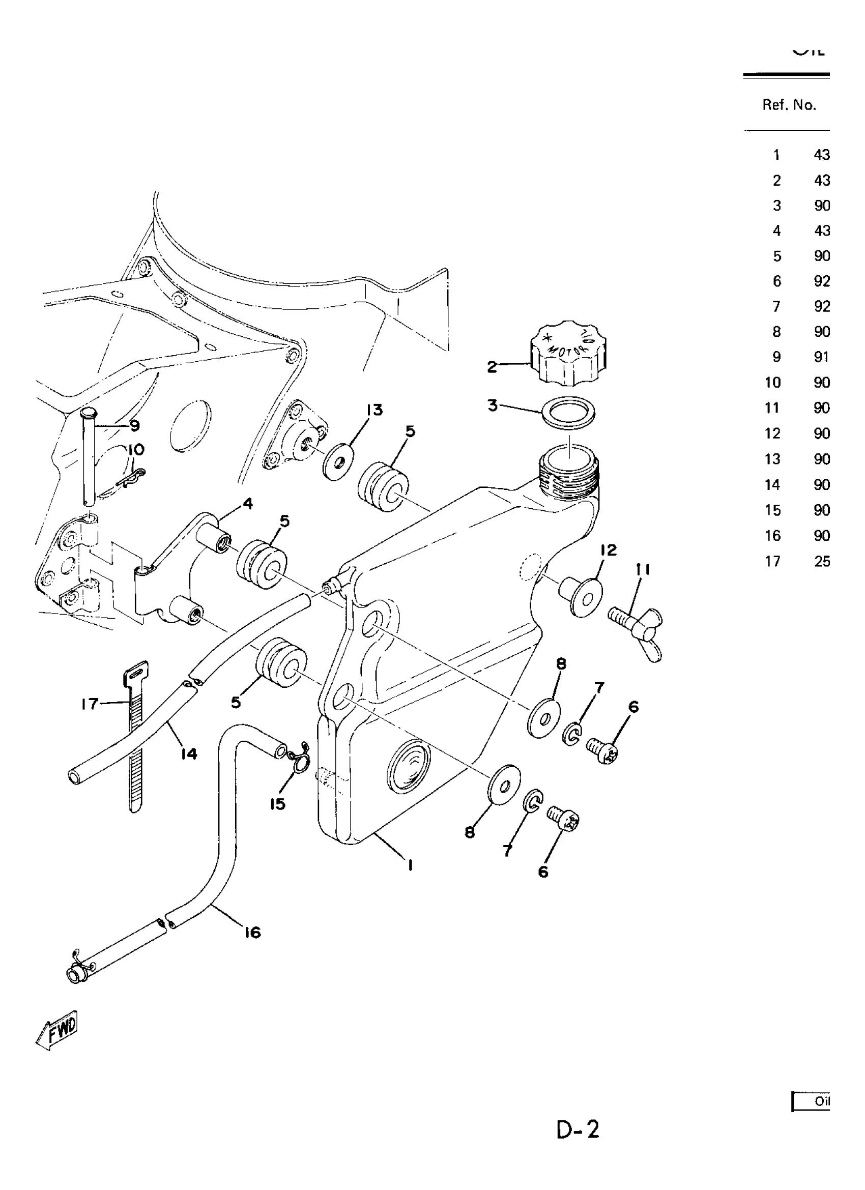
OIL TANK
Yamaha TY250C (TY250) 1976 OIL TANK Diagram
#
Description
Price
1
TANK, OIL
(434-21751-00-00)
Unavailable
4
HINGE
(434-21797-01-00)
Unavailable
7
WASHER, SPRING
92995-06100-00
Unavailable
11
BOLT, WING (38W)
90122-06021-00
Unavailable
16
HOSE
(90445-09116-00)
Unavailable
17
BAND, SWITCH CORD
25G-83936-01-00
Unavailable
