- Partiron
- OEM Parts
- Yamaha
- motorcycle
- 1974
- TY250A (TY250) 1974
FLYWHEEL MAGNETO
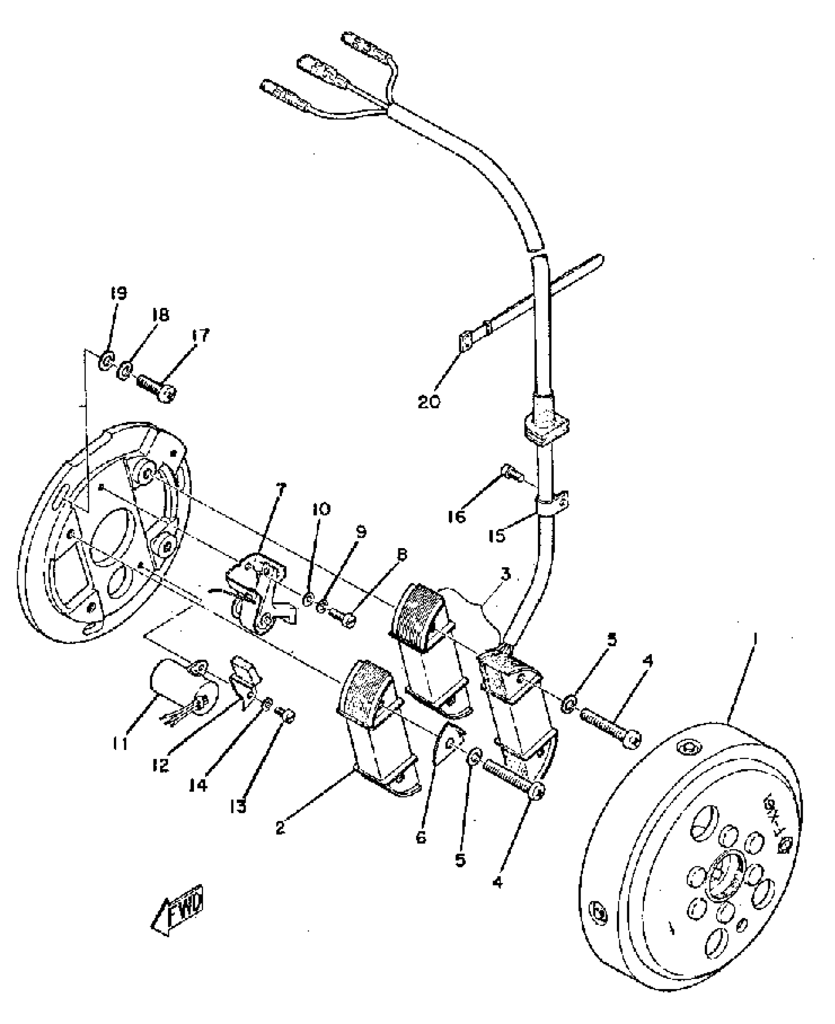
Yamaha TY250A (TY250) 1974 FLYWHEEL MAGNETO Diagram
#
Description
Price
1
FLYWHL MAGNETO ASSEMBLY
(434-81300-10-00)
Unavailable
1
ROTOR ASSEMBLY
(434-81350-10-00)
Unavailable
2
. COIL, SOURCE
434-81312-10-00
Unavailable
3
. COIL, LIGHTING 1
434-81313-10-00
Unavailable
6
PLATE, TIMING
(434-81332-10-00)
Unavailable
7
. CONTACT BRKR ASSEMBLY
434-81321-10-00
Unavailable
11
. CONDENSER 2
207-81326-90-00
Unavailable
12
. LUBRICATOR
207-81331-10-00
Unavailable
15
CLAMP, LEAD
(363-85528-10-00)
Unavailable
17
SCREW, PAN HEAD(6E5)
97880-06018-00
Unavailable
18
WASHER, SPRING
92995-06100-00
Unavailable
19
WASHER, PLATE (371)
90201-06431-00
Unavailable
20
BAND, SWITCH CORD
437-83936-01-00
Unavailable
