- Partiron
- OEM Parts
- Yamaha
- motorcycle
- 1975
- TY175B (TY175) 1975
FLYWHEEL MAGNETO
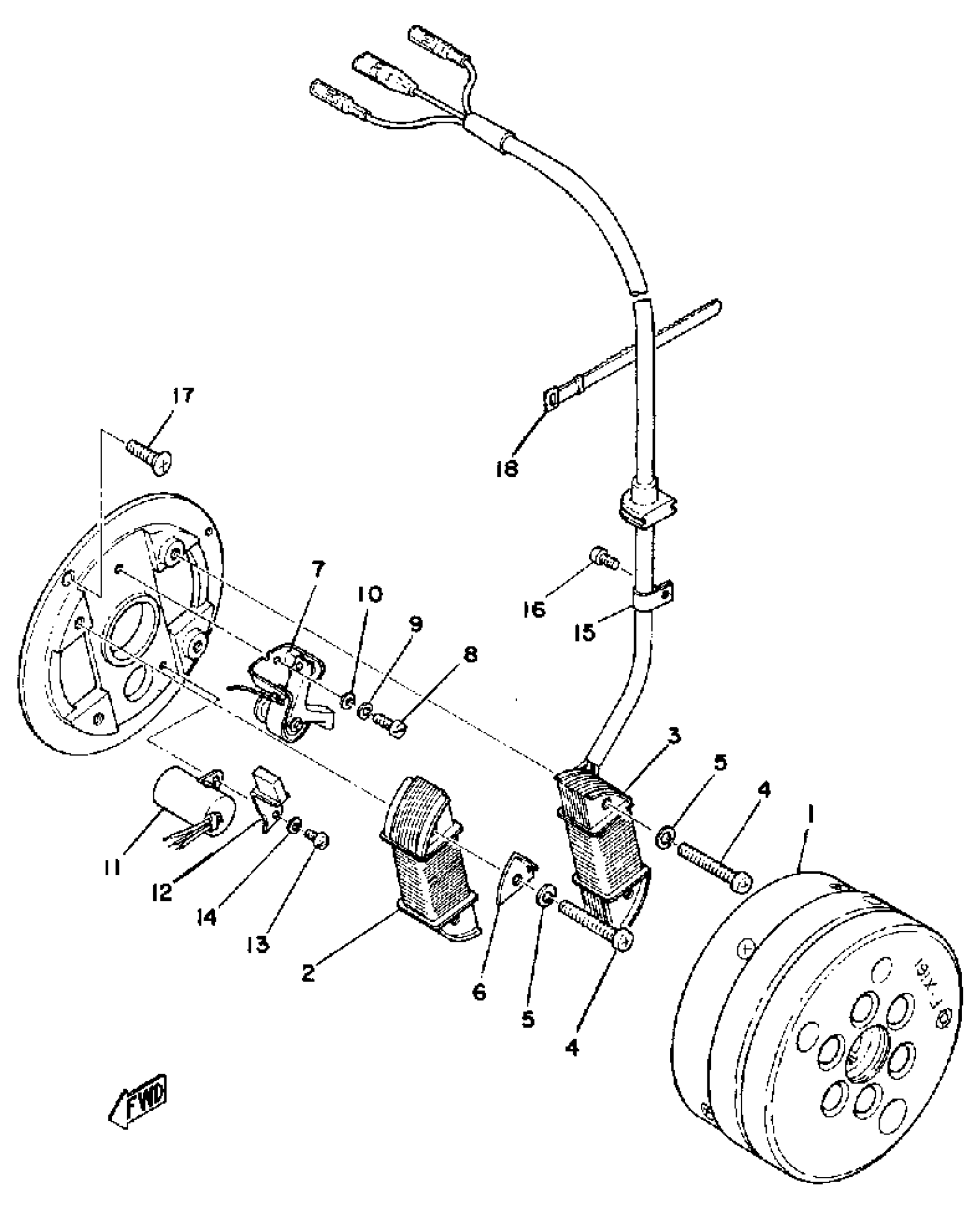
Yamaha TY175B (TY175) 1975 FLYWHEEL MAGNETO Diagram
#
Description
Price
1
FLYWHL MAGNETO ASSEMBLY
(525-81300-11-00)
Unavailable
1
ROTOR ASSEMBLY
(525-81350-10-00)
Unavailable
2
. COIL, SOURCE
461-81312-10-00
Unavailable
3
COIL, LIGHTING 1
(525-81313-10-00)
Unavailable
6
PLATE, TIMING
(434-81332-10-00)
Unavailable
7
. CONTACT BRKR ASSEMBLY
434-81321-10-00
Unavailable
11
. CONDENSER 2
207-81326-90-00
Unavailable
12
. LUBRICATOR
207-81331-10-00
Unavailable
15
. CLAMP
109-81328-11-00
Unavailable
17
SCREW, OVAL HEAD (92701-06012)
98603-06012-00
Unavailable
18
BAND, SWITCH CORD
437-83936-01-00
Unavailable
