- Partiron
- OEM Parts
- Yamaha
- motorcycle
- 1973
- TX750 (TX750) 1973
CARBURETOR
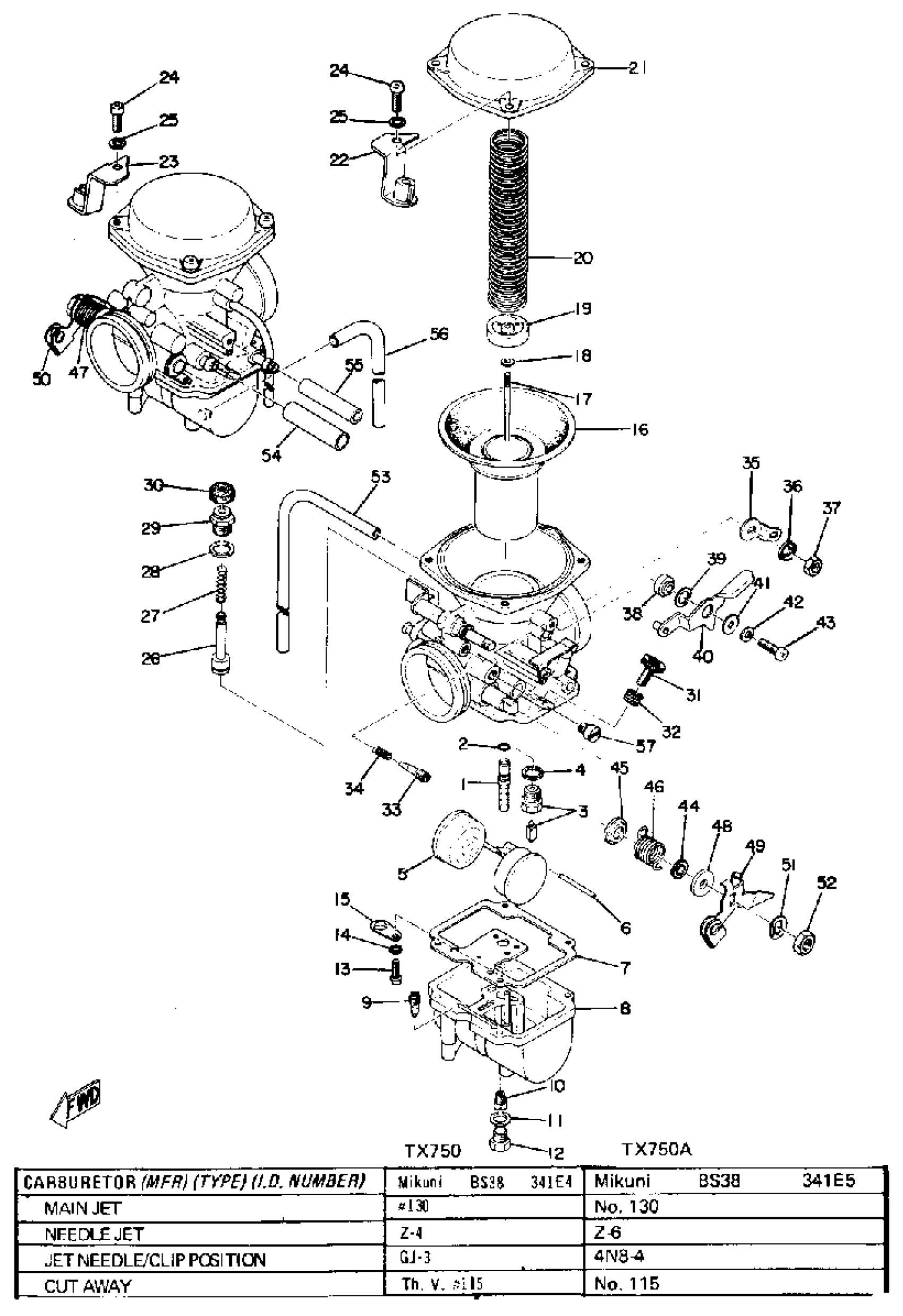
Yamaha TX750 (TX750) 1973 CARBURETOR Diagram
#
1
CARBURETOR ASSEMBLY 1
(341-14901-04-00)
Unavailable
1
NOZZLE, MAIN
(341-14941-86-00)
Unavailable
2
CARBURETOR ASSEMBLY 2
(341-14902-04-00)
Unavailable
8
BODY, FLOAT CHAMBER
(341-14981-00-00)
Unavailable
9
. JET, PILOT (NO 45)
256-14942-45-00
Unavailable
12
.. SCREW, PLUG
256-14991-00-00
Unavailable
13
SCREW, PAN HEAD
98511-04012-00
Unavailable
14
YBS67-4 WASHER, SPRING
92990-04100-00
Unavailable
15
PLATE
500-14146-00-00
Unavailable
16
. DIAPHRAGM ASSEMBLY
306-14940-00-00
Unavailable
17
NEEDLE
(341-14916-08-00)
Unavailable
18
CLIP
256-14919-00-00
Unavailable
19
.. PLATE, NEEDLE FITTING
256-14946-00-00
Unavailable
20
SPRING, DIAPHRAGM
(341-14933-00-00)
Unavailable
21
COVER, DIAPHRAGM
(256-14958-00-00)
Unavailable
22
BRACKET, THROTTLE 1
(341-14926-00-00)
Unavailable
23
BRACKET, THROTTLE 2
(341-14927-00-00)
Unavailable
24
SCREW, PAN HEAD(6B0)
97885-05016-00
Unavailable
25
YBS67-5 WASHER, SPRING
92990-05100-00
Unavailable
26
PLUNGER, STARTER
(306-14171-01-00)
Unavailable
27
. SPRING, PLUNGER
256-14135-00-00
Unavailable
28
WASHER
(306-14954-00-00)
Unavailable
29
CAP, PLUNGER
(306-14174-00-00)
Unavailable
30
.. COVER, PLUNGER CAP
306-14173-00-00
Unavailable
31
SCREW, THROTTLE
(341-14922-00-00)
Unavailable
32
.. SPRING, THROTTLE STOP
256-14934-01-00
Unavailable
33
SCREW, PILOT
(256-14923-00-00)
Unavailable
34
SPRING, AIR ADJUSTING
127-14134-00-00
Unavailable
35
LEVER, STARTER 1
(306-14975-00-00)
Unavailable
36
WASHER
(256-14973-00-00)
Unavailable
37
NUT (682)
95380-10700-00
Unavailable
38
.. RING
256-14918-00-00
Unavailable
39
. WASHER
256-14955-00-00
Unavailable
40
.. LEVER ASSY
306-14905-02-00
Unavailable
41
WASHER
4CW-14962-00-00
Unavailable
42
YBS67-4 WASHER, SPRING
92990-04100-00
Unavailable
43
SCREW, PAN HEAD
98511-04012-00
Unavailable
44
.. SEAL
256-14997-00-00
Unavailable
45
WASHER
(306-14954-00-00)
Unavailable
46
JET, STARTER
(306-14961-00-00)
Unavailable
47
SPRING THROTTLE
(306-14960-00-00)
Unavailable
48
VALVE, THROTTLE
(306-14970-00-00)
Unavailable
49
LEVER, THROTTLE 2
(306-14964-00-00)
Unavailable
50
LEVER, THROTTLE 4
(306-14963-00-00)
Unavailable
51
.. WASHER
256-14953-00-00
Unavailable
52
NUT(3DM)
95304-12600-00
Unavailable
53
PIPE, AIRVENT
(256-14197-01-00)
Unavailable
54
PIPE, STARTER CON
(256-14988-00-00)
Unavailable
55
PIPE, STARTER CON
(341-14988-00-00)
Unavailable
56
HOSE
(256-14987-00-00)
Unavailable
57
.. PLUG, SCREW
341-14991-00-00
Unavailable
