- Partiron
- OEM Parts
- Yamaha
- motorcycle
- 1974
- TX650A (TX650) 1974
ELECTRICAL 1 TX650A - XS650B - C
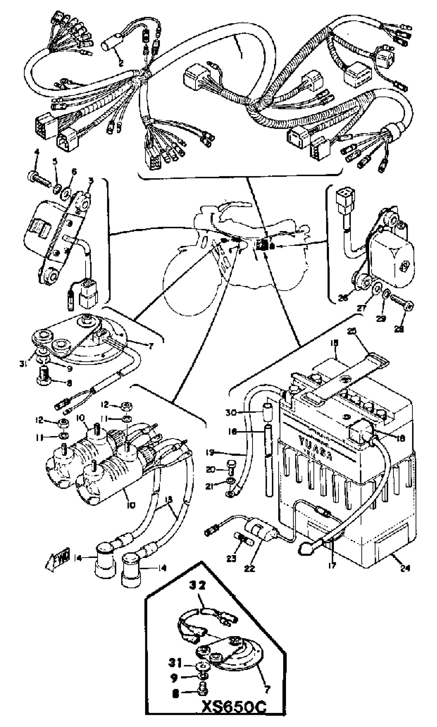
Yamaha TX650A (TX650) 1974 ELECTRICAL 1 TX650A - XS650B - C Diagram
#
1
WIRE HARNESS ASSEMBLY (A/B)
447-82590-33-00
Unavailable
1
WIRE HARNESS ASSEMBLY (C)
584-82590-60-00
Unavailable
2
DIODE (341-81980-01)
341-81980-30-00
Unavailable
3
RELAY ASSEMBLY
447-81950-10-00
Unavailable
5
WASHER, SPRING
92995-06100-00
Unavailable
6
WASHER, PLATE
90201-06M08-00
Unavailable
7
HORN
366-83371-52-00
Unavailable
10
IGNITION COIL ASSEMBLY
254-82310-60-00
Unavailable
11
WASHER, SPRING
92995-06100-00
Unavailable
12
NUT, HEXAGON
95380-06600-00
Unavailable
15
YB14LA2 YUASA BATTERY
YB1-4LA20-00-00
Unavailable
16
HOSE (L1500)
90445-084J0-00
Unavailable
17
WIRE, PLUS LEAD
447-82115-01-00
Unavailable
18
COVER, LEAD WIRE
447-82119-00-00
Unavailable
19
WIRE,MINUS LEAD
2H7-82116-00-00
Unavailable
20
BOLT (661)
97013-06012-00
Unavailable
21
WASHER, SPRING
92995-06100-00
Unavailable
22
FUSE HOLDER ASSY
2UJ-82150-02-00
Unavailable
23
FUSE
1A0-82161-00-00
Unavailable
24
SEAT, BATTERY
447-82122-00-00
Unavailable
25
BAND,BATTERY
7H3-82131-00-00
Unavailable
26
VOLTAGE REGULATOR ASSEMBLY
1L9-81910-50-00
Unavailable
27
WASHER, PLATE
90201-06M08-00
Unavailable
29
WASHER, SPRING
92995-06100-00
Unavailable
30
BUSH, SPEC''L NYLON
(90386-07043-00)
Unavailable
31
WASHER, PLATE (4W3)
90201-086A3-00
Unavailable
32
LEAD, HORN
(447-83373-00-00)
Unavailable
