- Partiron
- OEM Parts
- Yamaha
- motorcycle
- 1974
- TX650A (TX650) 1974
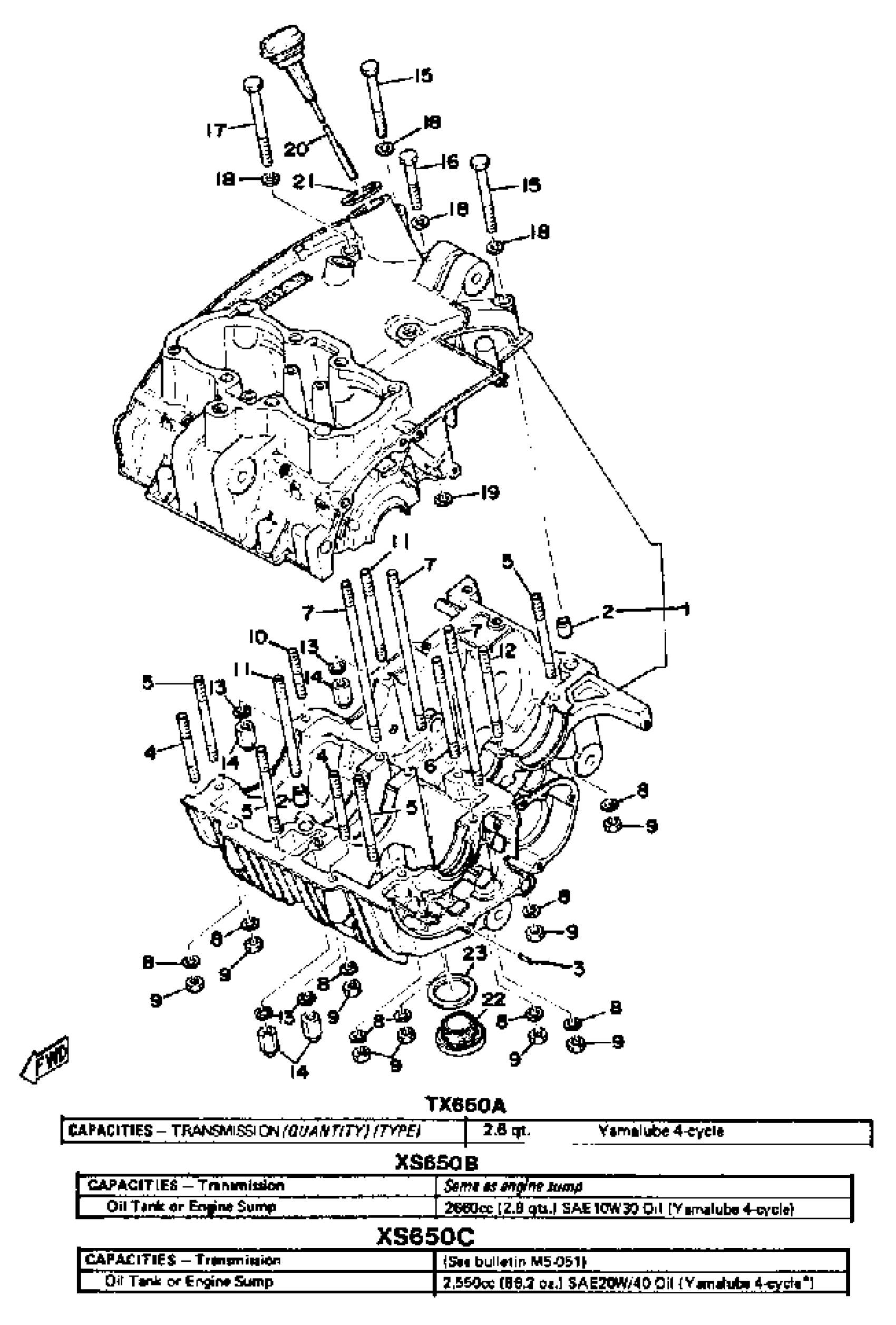
CRANKCASE TX650A - XS650B - C
Yamaha TX650A (TX650) 1974 CRANKCASE TX650A - XS650B - C Diagram
#
Description
Price
1
CRANKCASE ASSEMBLY
(306-15100-03-00)
Unavailable
4
BOLT,STUD
90116-08371-00
Unavailable
7
BOLT, STUD
(90116-08199-00)
Unavailable
8
WASHER, PLAIN
92990-08200-00
Unavailable
10
BOLT, STUD (306-15192-00)
90116-08047-00
Unavailable
11
BOLT, STUD
90116-08066-00
Unavailable
13
. GASKET
90430-08143-00
Unavailable
13
. GASKET
90430-08143-00
Unavailable
14
NUT, CROWN
90176-08019-00
Unavailable
15
BOLT (6K8)
97013-08075-00
Unavailable
16
BOLT, HEXAGON
97013-08055-00
Unavailable
17
UNAVAILABLE IN PRICE BOOK
97323-09090-00
Unavailable
18
WASHER, PLAIN
92990-08200-00
Unavailable
19
GASKET, OIL SEALING
256-15395-00-00
Unavailable
20
PLUG, OIL LEVEL
256-15362-02-00
Unavailable
21
GASKET 214217720000
90430-29114-00
Unavailable
22
PLUG, DRAIN
256-15351-00-00
Unavailable
23
GASKET, DRAIN PLUG
256-15353-00-00
Unavailable
