- Partiron
- OEM Parts
- Yamaha
- motorcycle
- 1973
- TX500 (TX500) 1973
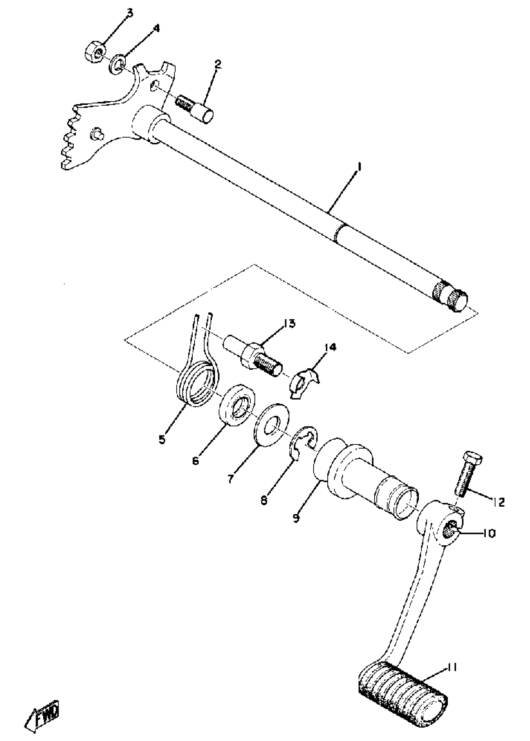
SHIFTER 2
Yamaha TX500 (TX500) 1973 SHIFTER 2 Diagram
#
Description
Price
1
SHIFT SHAFT ASSEMBLY.1
371-18101-00-00
Unavailable
3
NUT, HEXAGON
95380-06600-00
Unavailable
4
WASHER, SPRING
92995-06100-00
Unavailable
9
BOOT, SEALING
(371-18131-00-00)
Unavailable
10
PEDAL, SHIFT (371-18111-00-93)
1A8-18111-00-00
Unavailable
14
WASHER
90215-08015-00
Unavailable
