- Partiron
- OEM Parts
- Yamaha
- motorcycle
- 1973
- TX500 (TX500) 1973
HANDLE WIRE
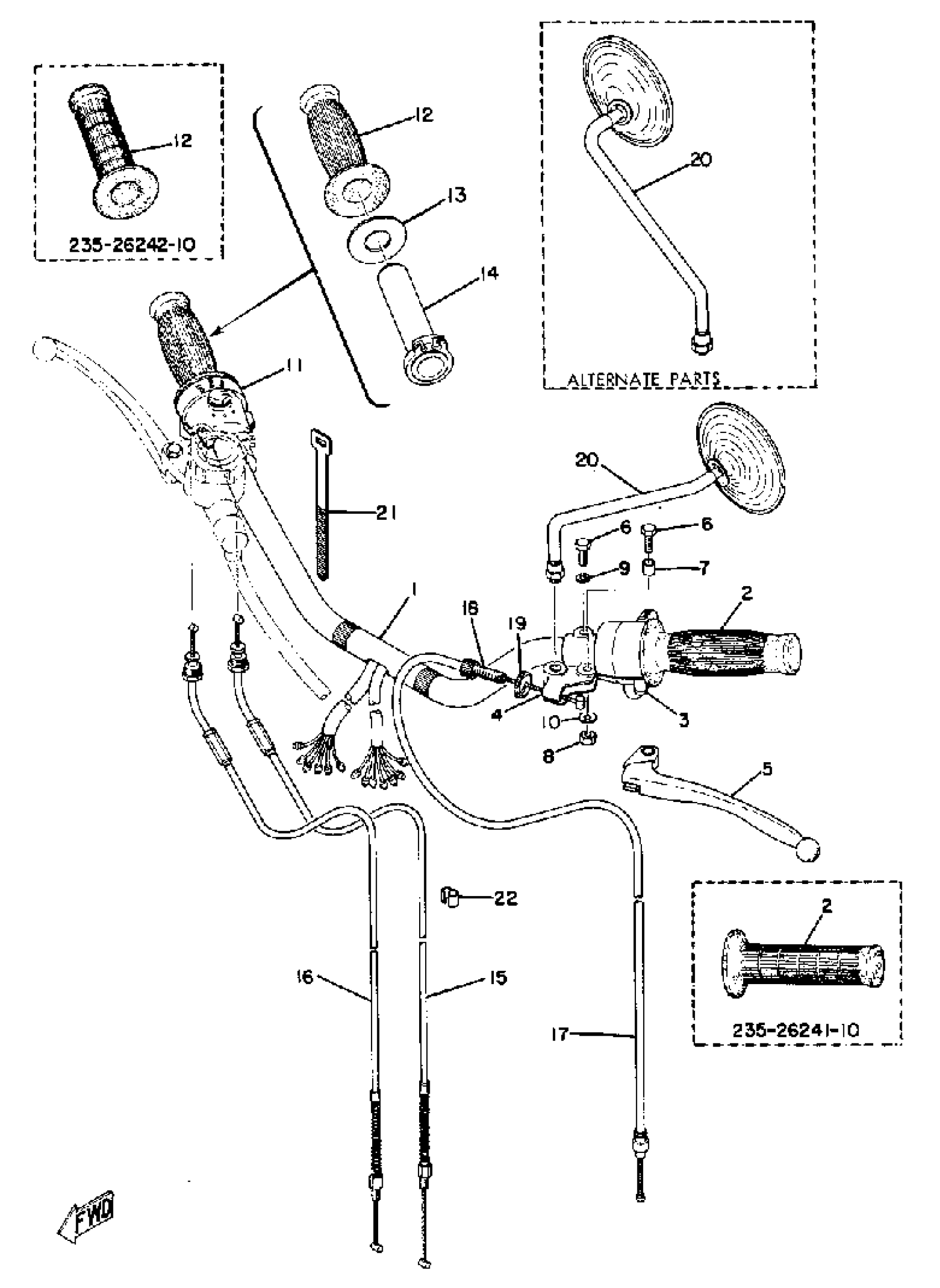
Yamaha TX500 (TX500) 1973 HANDLE WIRE Diagram
#
Description
Price
1
LEVER HOLDER ASSEMBLY 1 (360-82910-00)
360-82910-02-00
Unavailable
1
HANDLEBAR
371-26111-02-00
Unavailable
2
GRIP LH
341-26241-00-00
Unavailable
3
SWITCH, HANDLE 3
371-83973-01-00
Unavailable
4
HOLDER, LEVER (L.H) (371,447)
341-82911-00-00
Unavailable
9
WASHER, SPRING
92995-06100-00
Unavailable
11
SWITCH, HANDLE 3
371-83963-42-00
Unavailable
12
GRIP RH
(306-26242-10-00)
Unavailable
14
TUBE, THRTL GUIDE
371-26243-00-00
Unavailable
15
CABLE, THROTTLE 1
371-26311-03-00
Unavailable
16
CABLE, THROTTLE 2
371-26312-03-00
Unavailable
17
CABLE, CLUTCH
12R-26335-00-00
Unavailable
18
BOLT
90123-08002-00
Unavailable
19
NUT
90179-08030-00
Unavailable
20
REAR VIEW MIRROR ASSY(LEFT)
341-26290-A0-00
Unavailable
20
REAR VIEW MIRROR ASSY(RIGHT)
341-26290-E0-00
Unavailable
21
BAND, SWITCH CORD
437-83936-01-00
Unavailable
22
CLIP, WIRE 2072639100
90468-15009-00
Unavailable
