- Partiron
- OEM Parts
- Yamaha
- snowmobile
- 1974
- TW433F 1974
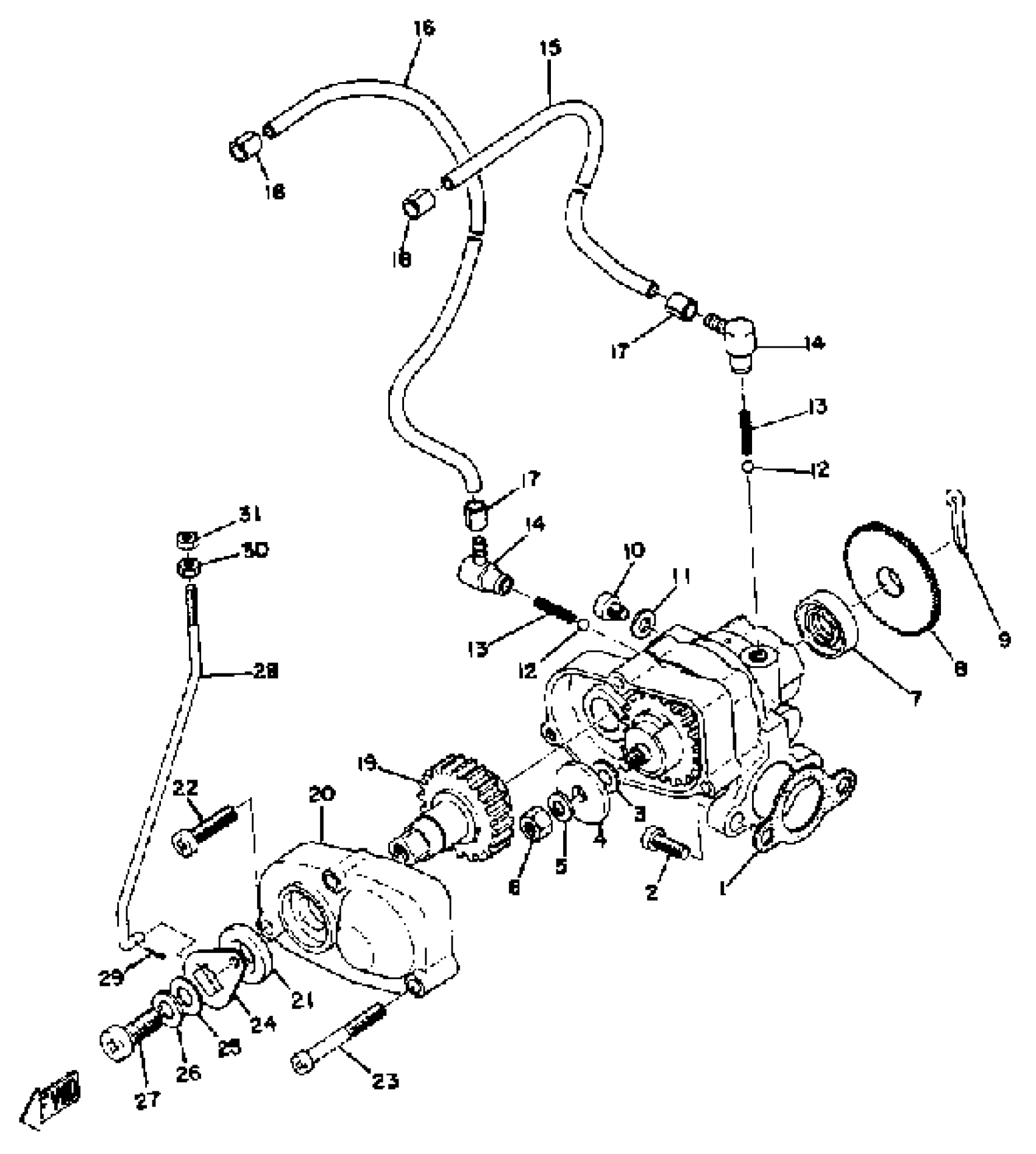
OIL PUMP
Yamaha TW433F 1974 OIL PUMP Diagram
#
Description
Price
1
OIL PUMP ASSEMBLY
(861-13101-00-00)
Unavailable
2
SCREW, PAN HEAD(6B0)
97885-05016-00
Unavailable
4
PLATE, ADJUSTING
137-13138-01-00
Unavailable
8
PLATE, STARTER
(137-13128-00-00)
Unavailable
9
. PIN, COTTER
91401-12018-00
Unavailable
10
SCREW, BIND
98980-04008-00
Unavailable
13
SPRING (278-13169-00)
90501-02018-00
Unavailable
14
NOZZLE
353-13552-01-00
Unavailable
15
HOSE (L200)
90445-05N13-00
Unavailable
16
HOSE (L200)
90445-05N13-00
Unavailable
17
CLIP (214-13164-00)
90468-02033-00
Unavailable
18
CLIP (214-13164-00)
90468-02033-00
Unavailable
19
GEAR, PUMP CONTROL
(838-13154-01-00)
Unavailable
20
COVER, AJST PULLEY
(859-13146-00-00)
Unavailable
21
UNAVAILABLE IN PRICE BOOK (SO-12-20-4)
93140-12043-00
Unavailable
22
SCREW, PAN HEAD
98517-04020-00
Unavailable
23
SCREW, PAN HEAD(MK5)
98507-04035-00
Unavailable
24
LEVER, PUMP CONTROL
(812-13156-00-00)
Unavailable
25
YBS66-6 WASHER, PLAIN
92990-06200-00
Unavailable
26
WASHER, SPRING
92995-06100-00
Unavailable
27
SCREW, PAN
98507-06014-00
Unavailable
28
ROD, PUMP CONTROL
824-13157-00-00
Unavailable
29
. PIN, COTTER
91490-12012-00
Unavailable
30
NUT, HEXAGON (807-13139-00)
90170-03008-00
Unavailable
31
NUT, SELF-LOCKING (838-13139-00)
90185-03007-00
Unavailable
