Yamaha TW200WC (TRAILWAY CA) 3AW2 1989 OIL PUMP Diagram
#
Description
Price
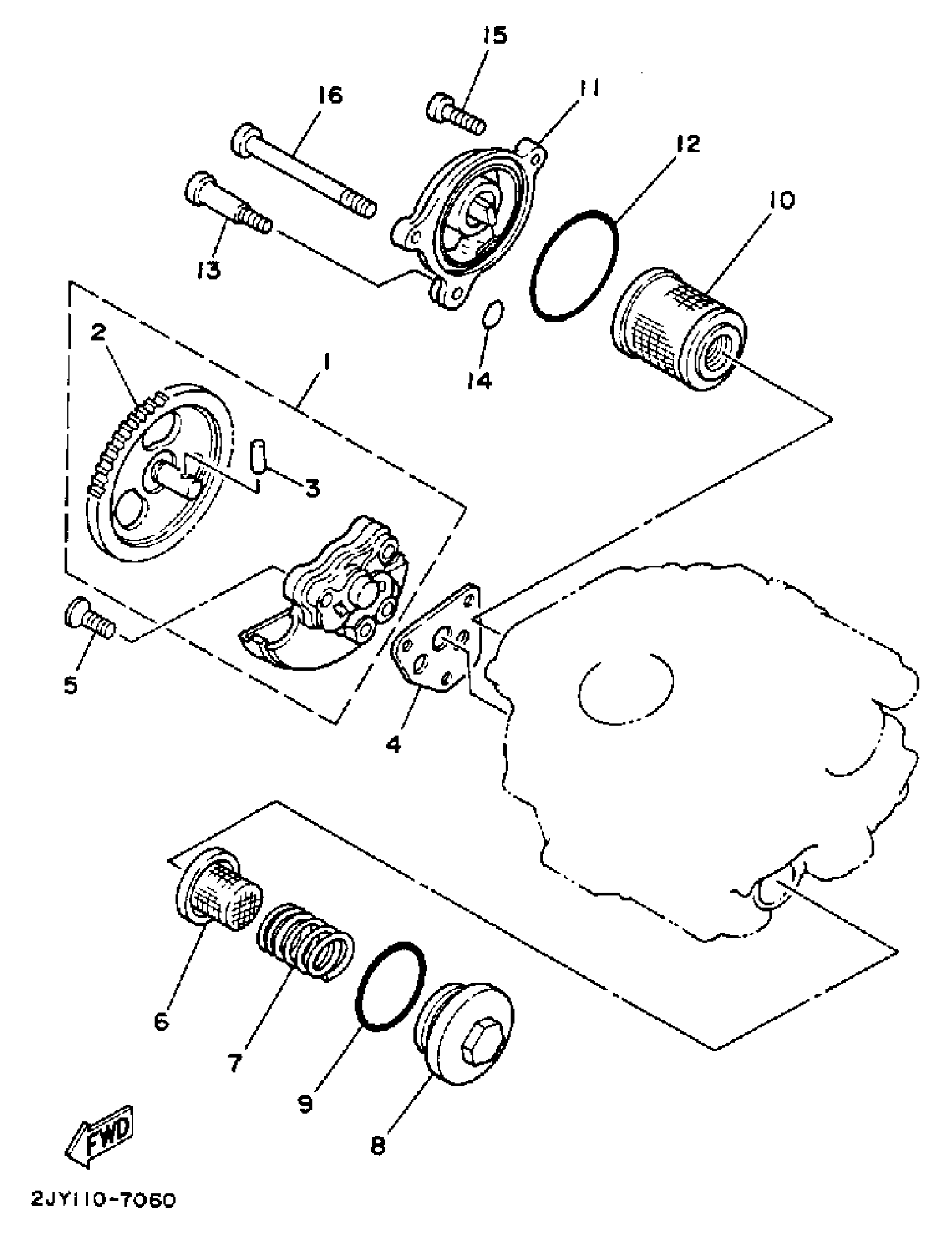
11
COVER, OIL ELEMENT
3AW-13447-01-00
Unavailable
16
SCREW, PAN
98507-06075-00
Unavailable
#
11
3AW-13447-01-00
Unavailable
16
98507-06075-00
Unavailable
Edit ride
