- Partiron
- OEM Parts
- Yamaha
- motorcycle
- 1987
- TW200TC (TRAILWAY) 1987
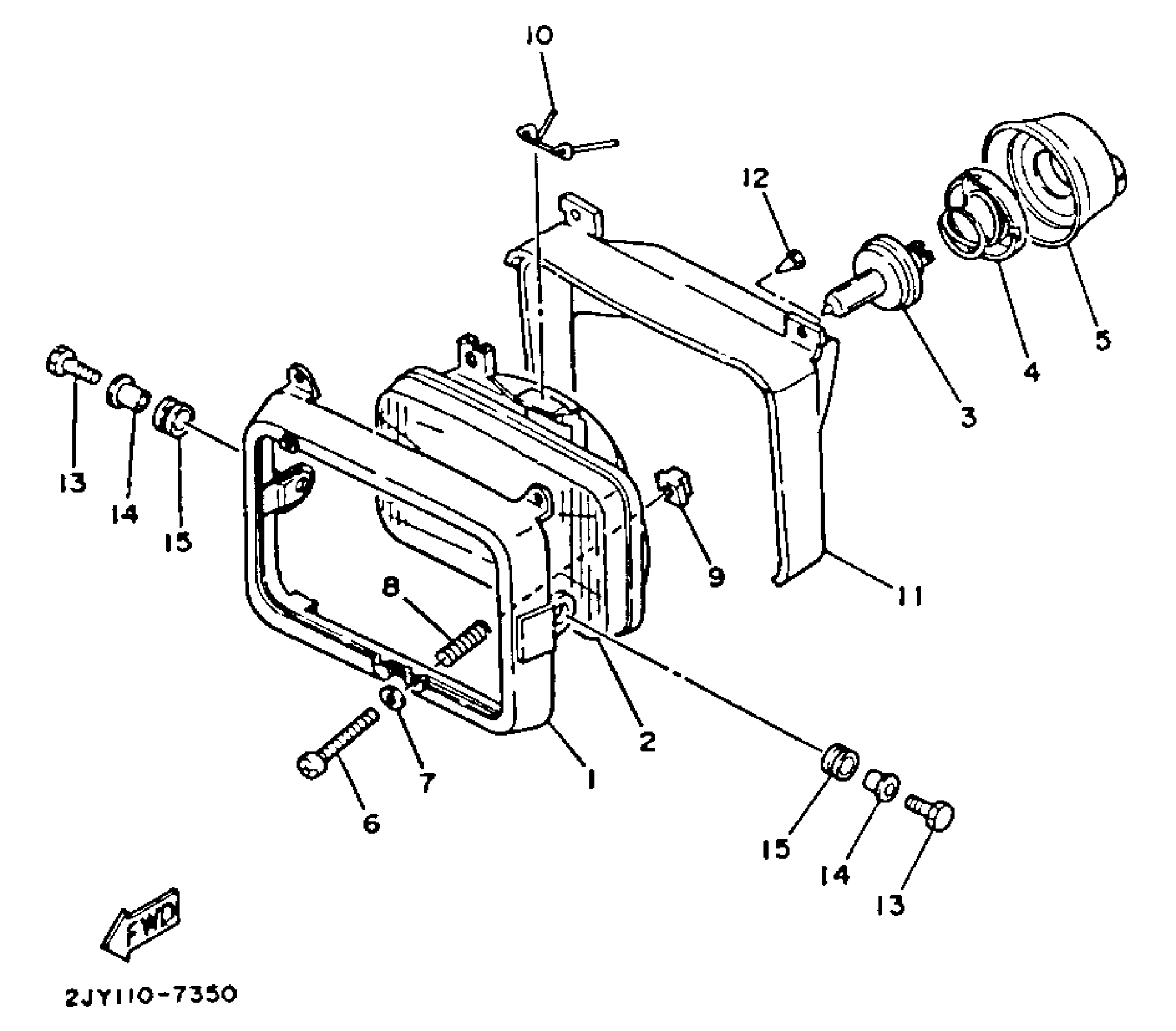
HEADLIGHT
Yamaha TW200TC (TRAILWAY) 1987 HEADLIGHT Diagram
#
Description
Price
2
LENS ASSEMBLY
2JX-84320-A0-00
Unavailable
3
BULB, HEADLIGHT
1ML-84314-00-XX
Unavailable
11
COVER
10V-84196-00-00
Unavailable
12
CLIP COVER FITTING
10V-84198-00-00
Unavailable
