- Partiron
- OEM Parts
- Yamaha
- motorcycle
- 1987
- TW200TC (TRAILWAY) 1987
AIR FILTER
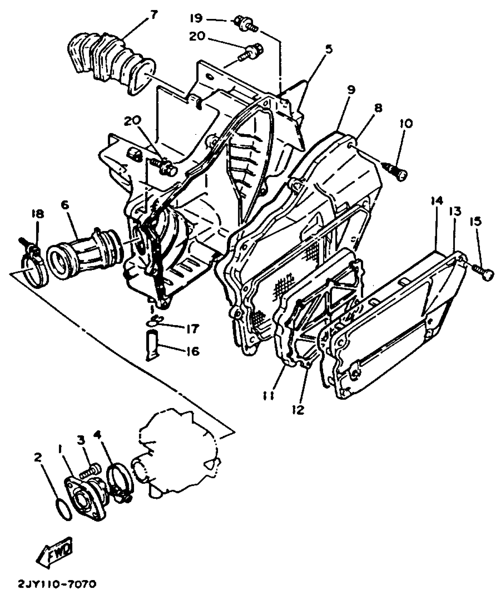
Yamaha TW200TC (TRAILWAY) 1987 AIR FILTER Diagram
#
Description
Price
1
JOINT, CARBURETOR 1
2JX-13586-00-00
Unavailable
3
BOLT,SOCKET
91317-06020-00
Unavailable
5
CASE, AIR CLEANER 1
2JX-14411-02-00
Unavailable
7
DUCT
2JX-14437-00-00
Unavailable
8
CAP, CLEANER CASE 1
2JX-14412-00-00
Unavailable
16
PIPE, DRAIN
34X-1443E-00-00
Unavailable
17
CLIP(1JH)
90467-11106-00
Unavailable
18
CLAMP HOSE 278144550000
90460-49058-00
Unavailable
19
BOLT, WITH WASHER
90119-06152-00
Unavailable
20
BOLT, WITH WASHER (10V)
90119-06063-00
Unavailable
