Partiron

Yamaha TW200RC (TW200 CA) 5FYH 2003 SHIFT SHAFT Diagram

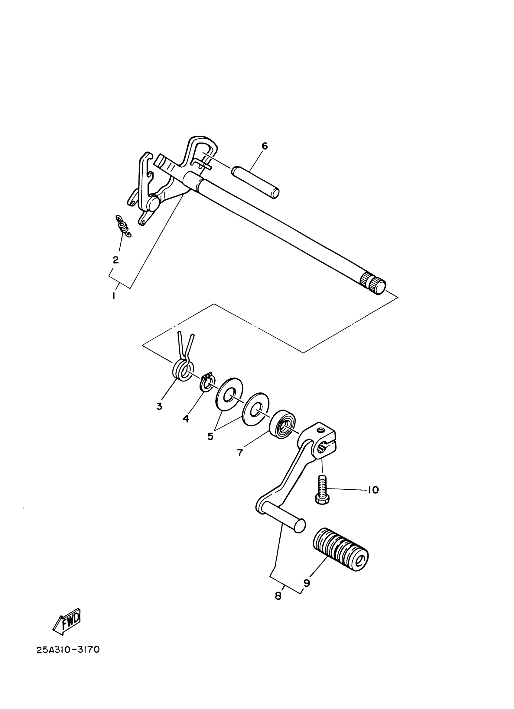
#

Description
Price

1

SHIFT LEVER ASSY

5H0-18120-02-00

$108.99

2

SPRING, TENSION (4H7)

90506-08227-00

$4.19

3

SPRING, TORSION (15A)

90508-29540-00

$7.49

4

CIRCLIP

99006-10600-00

$9.49

5

WASHER

90201-12588-00

$7.49

6

PIN, DOWEL (4H7)

93608-50158-00

$8.49

7

OIL SEAL (12X22X5-371)

93102-12106-00

$11.49

8

SHIFT PEDAL ASSY

1RL-18110-00-00

$27.99

9

COVER, CHANGE PEDAL

132-18113-01-00

$7.99

10

BOLT, HEXAGON

97017-06020-00

$4.06