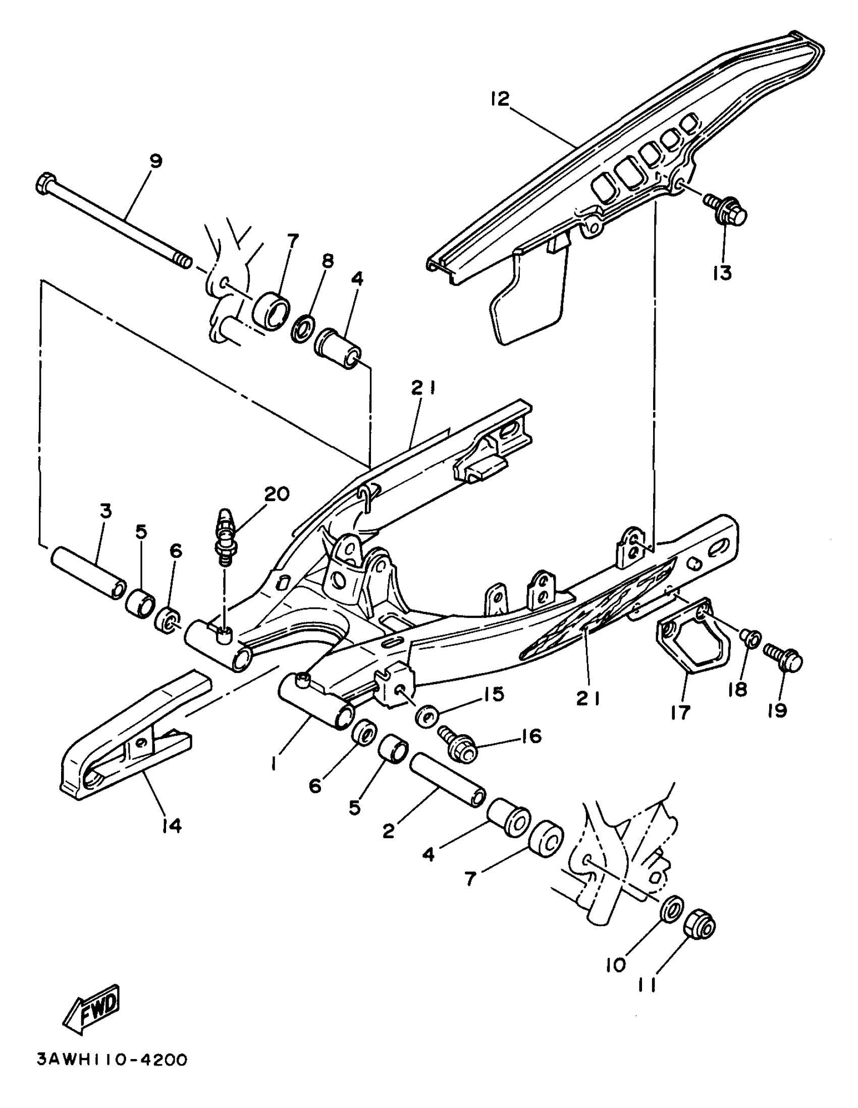
Yamaha TW200LC (TRAILWAY CA) 5FY3 1999 REAR ARM Diagram
#
Description
Price
2
BUSH 1
2JX-22123-00-00
Unavailable
3
BUSH 2
2JX-22124-00-00
Unavailable
9
SHAFT, PIVOT
2JX-22141-00-00
Unavailable
16
BOLT, WITH WASHER (10V)
90119-05062-00
Unavailable
17
SUPPORT, CHAIN
38V-22199-00-00
Unavailable
18
COLLAR (3L6)
90387-06737-00
Unavailable
19
BOLT, HEXAGON
97017-06020-00
Unavailable
20
NIPPLE, GREASE (36X)
93700-06009-00
Unavailable
21
EMBLEM
3AW-22180-40-00
Unavailable
