Partiron

Yamaha TW200KC (TRAILWAY CA) 3AWX 1998 STARTING MOTOR Diagram

#

Description
Price

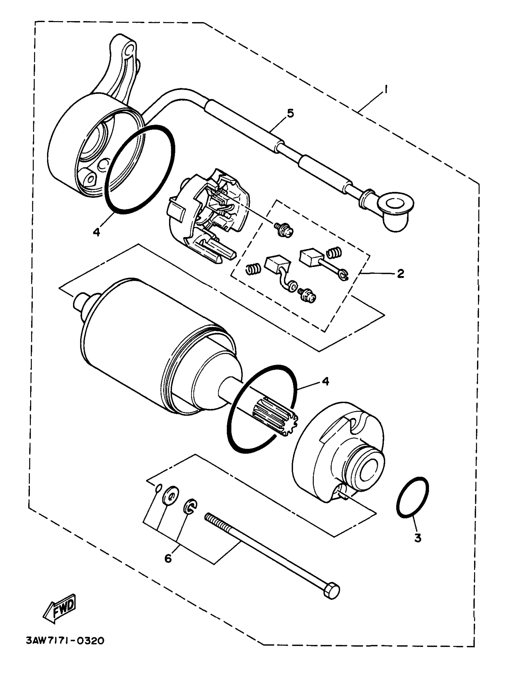
1

STARTING MOTOR UNIT

3AW-81890-00-00

Unavailable

2

BRUSH SET

3C5-81801-00-00

$23.99

3

O-RING(1RL)

93210-25711-00

$7.49

4

O-RING(50M)

93210-55669-00

$8.49

5

CORD COMP.

2JX-8183G-11-00

Unavailable

6

BOLT 2

59V-81828-M0-00

$16.49