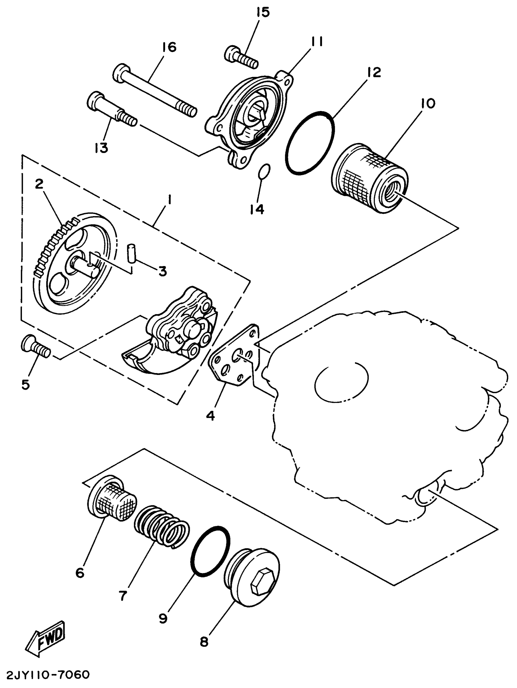
Yamaha TW200HC (TW200 CA) 1996 OIL PUMP Diagram
#
Description
Price
11
COVER, OIL ELEMENT
3AW-13447-01-00
Unavailable
15
BOLT, FLANGE
95817-06025-00
Unavailable
16
SCREW, PAN
98507-06075-00
Unavailable
