- Partiron
- OEM Parts
- Yamaha
- motorcycle
- 1996
- TW200HC (TW200 CA) 1996
FUEL TANK
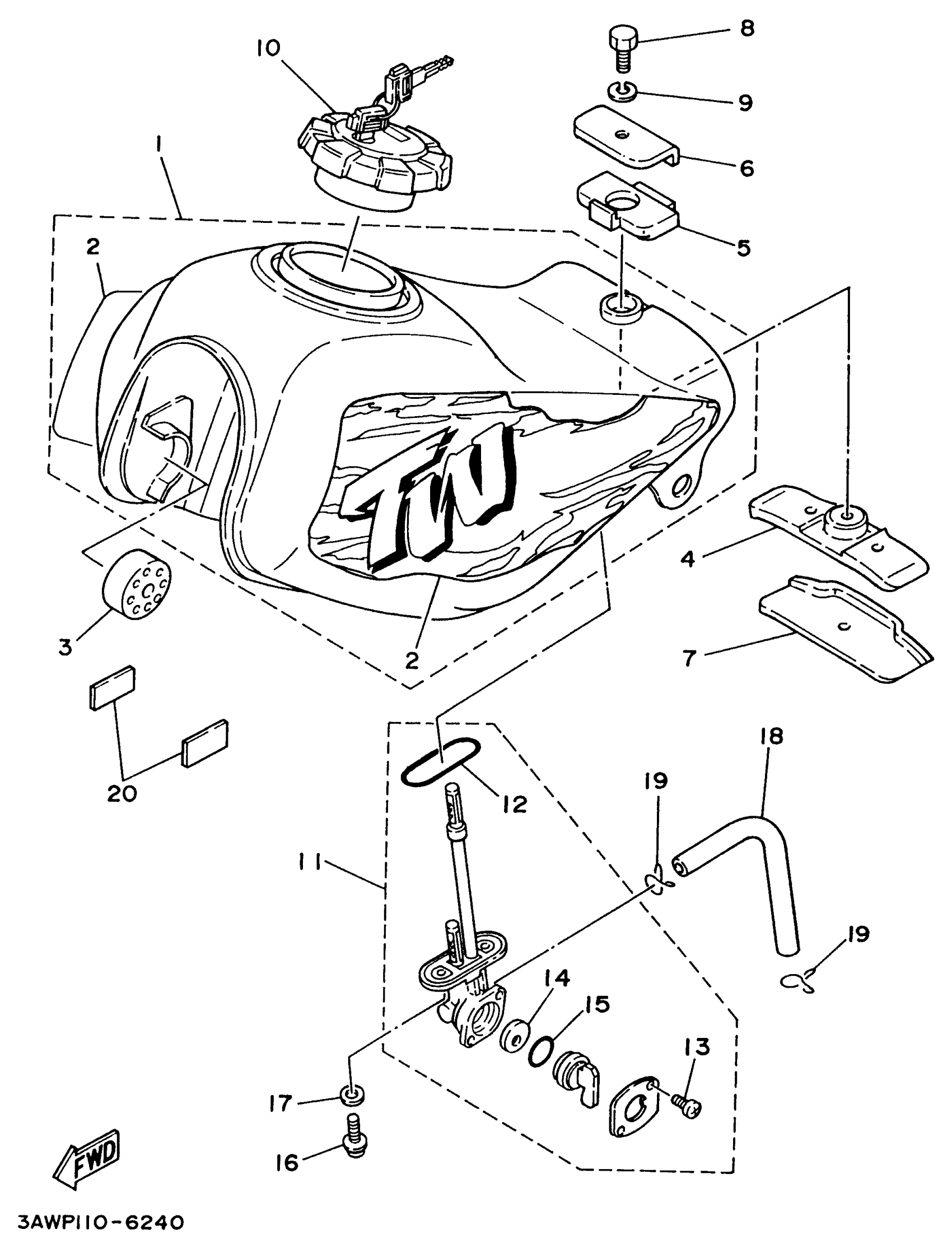
Yamaha TW200HC (TW200 CA) 1996 FUEL TANK Diagram
#
Description
Price
1
FUEL TANK COMP.
2JY-Y2410-10-X8
Unavailable
2
. GRAPHIC, SET
3AW-24240-30-00
Unavailable
10
CAP ASSY
48Y-24602-00-00
Unavailable
16
SCREW 256241430000
90149-06011-00
Unavailable
17
WASHER, PLATE(3MB)
90202-05187-00
Unavailable
18
HOSE (L200)
90445-10752-00
Unavailable
19
CLIP
90467-090A2-00
Unavailable
20
DAMPER, LOCATING 1
18A-21778-00-00
Unavailable
