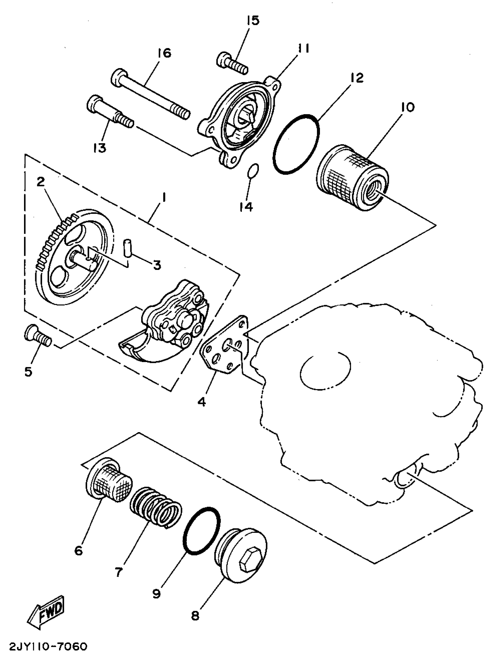
Yamaha TW200FC (TRAILWAY CA) 1994 OIL PUMP Diagram
#
Description
Price
11
COVER, OIL ELEMENT
3AW-13447-01-00
Unavailable
16
SCREW, PAN
98507-06075-00
Unavailable
#
11
3AW-13447-01-00
Unavailable
16
98507-06075-00
Unavailable
Edit ride
