- Partiron
- OEM Parts
- Yamaha
- motorcycle
- 2012
- TW200BC1 (TW200 CA) 10DN 2012
ELECTRICAL 1
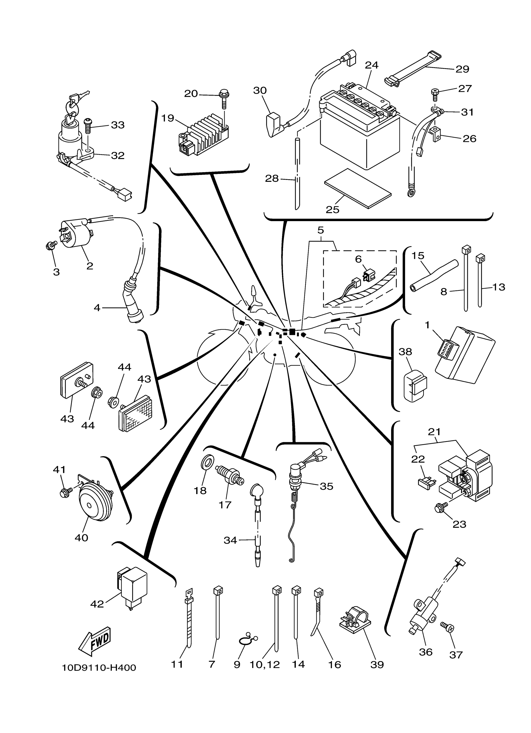
Yamaha TW200BC1 (TW200 CA) 10DN 2012 ELECTRICAL 1 Diagram
#
1
C.D.I. UNIT ASSY
5LB-85540-03-00
Unavailable
16
CLAMP
90465-10098-00
Unavailable
17
NEUTRAL SWITCH ASSY
4GY-82540-10-00
Unavailable
18
GASKET (1KH,1.0T)
90430-10148-00
Unavailable
19
RECTIFIER & REGULATOR ASSY
3TJ-81960-02-00
Unavailable
20
BOLT, SMALL FLANGE
95027-06025-00
Unavailable
21
STARTER RELAY ASSY (RC19-022)
5EK-81940-02-00
Unavailable
22
FUSE (20A)
2GV-82151-00-00
Unavailable
23
BOLT, SMALL FLANGE
95027-06008-00
Unavailable
24
YB7CA YUASA BATTERY
YB7-CA000-00-00
Unavailable
25
SEAT, BATTERY
51Y-82122-00-00
Unavailable
26
TERMINAL
5LB-8215C-00-00
Unavailable
27
SCREW, HEXAGON
90153-06001-00
Unavailable
28
HOSE (L1500)
90445-084J0-00
Unavailable
29
BAND,BATTERY
7H3-82131-00-00
Unavailable
30
WIRE, PLUS LEAD
5LB-82115-00-00
Unavailable
31
WIRE, MINUS LEAD
5EK-82116-02-00
Unavailable
32
MAIN SWITCH STEERING LOCK
5LB-82501-01-00
Unavailable
33
SCREW(1KT)
90149-06228-00
Unavailable
34
WIRE, LEAD
5VC-82541-10-00
Unavailable
35
STOP SWITCH ASSY
5VC-82530-01-00
Unavailable
36
SWITCH, SIDE STAND
3LD-82566-61-00
Unavailable
37
SCREW, PAN HEAD(JJ6)
98507-05016-00
Unavailable
38
RELAY ASSY (29U-93)
29U-81950-93-00
Unavailable
39
CLAMP
90464-13004-00
Unavailable
40
HORN
5LB-83371-11-00
Unavailable
41
BOLT, FLANGE
95817-06012-00
Unavailable
42
FLASHER RELAY ASSY
4MY-83350-03-00
Unavailable
43
FRONT REFLECTOR ASSY
23V-85110-00-00
Unavailable
44
NUT, FLANGE(3GM)
95707-05500-00
Unavailable
