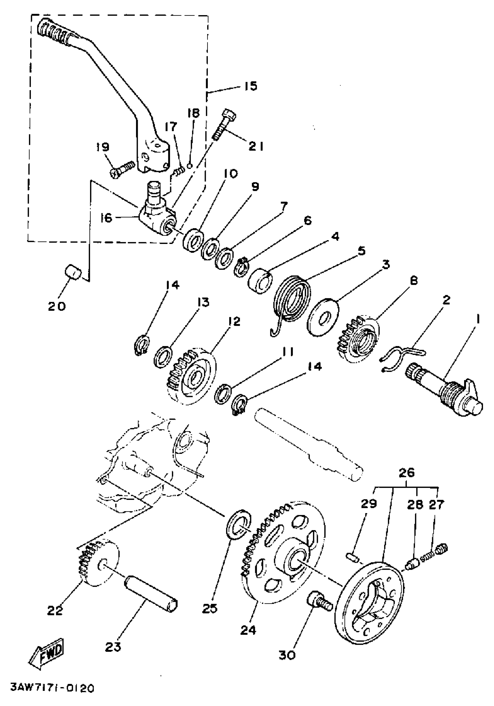
Yamaha TW200BC (TRAILWAY CA) 1991 STARTER Diagram
#
Description
Price
1
KICK SHAFT ASSY
15A-15660-01-00
Unavailable
8
GEAR, KICK
36X-15641-00-00
Unavailable
16
BOSS, KICK CRANK
54G-15621-00-00
Unavailable
17
SPRING COMPRESSION278156220000
90501-12081-00
Unavailable
18
BALL (12R)
93507-32031-00
Unavailable
19
SCREW, COUNTERSUNK (5Y1)
90152-06010-00
Unavailable
20
PLUG 288251390000
90338-18014-00
Unavailable
21
BOLT, HEXAGON
97017-08030-00
Unavailable
22
GEAR, IDLER 1
2HT-15512-00-00
Unavailable
23
GEAR, IDLER 2
5H0-15517-00-00
Unavailable
24
GEAR, IDLER 2
5H0-15517-00-00
Unavailable
25
WASHER, PLATE(1FK)
90201-256K6-00
Unavailable
26
STARTER CLUTCH OUTER ASSY
4H7-15580-10-00
Unavailable
27
SPRING, COMPRESSION (4H7)
90501-04596-00
Unavailable
28
CAP, STARTER CLUTCH
1J7-15583-01-00
Unavailable
29
PIN,DOWEL(341)
93615-12088-00
Unavailable
30
BOLT, SOCKET
91317-08016-00
Unavailable
