- Partiron
- OEM Parts
- Yamaha
- motorcycle
- 1990
- TW200AC (TRAILWAY CA) 1990
FUEL TANK NON CALIFORNIA MODEL
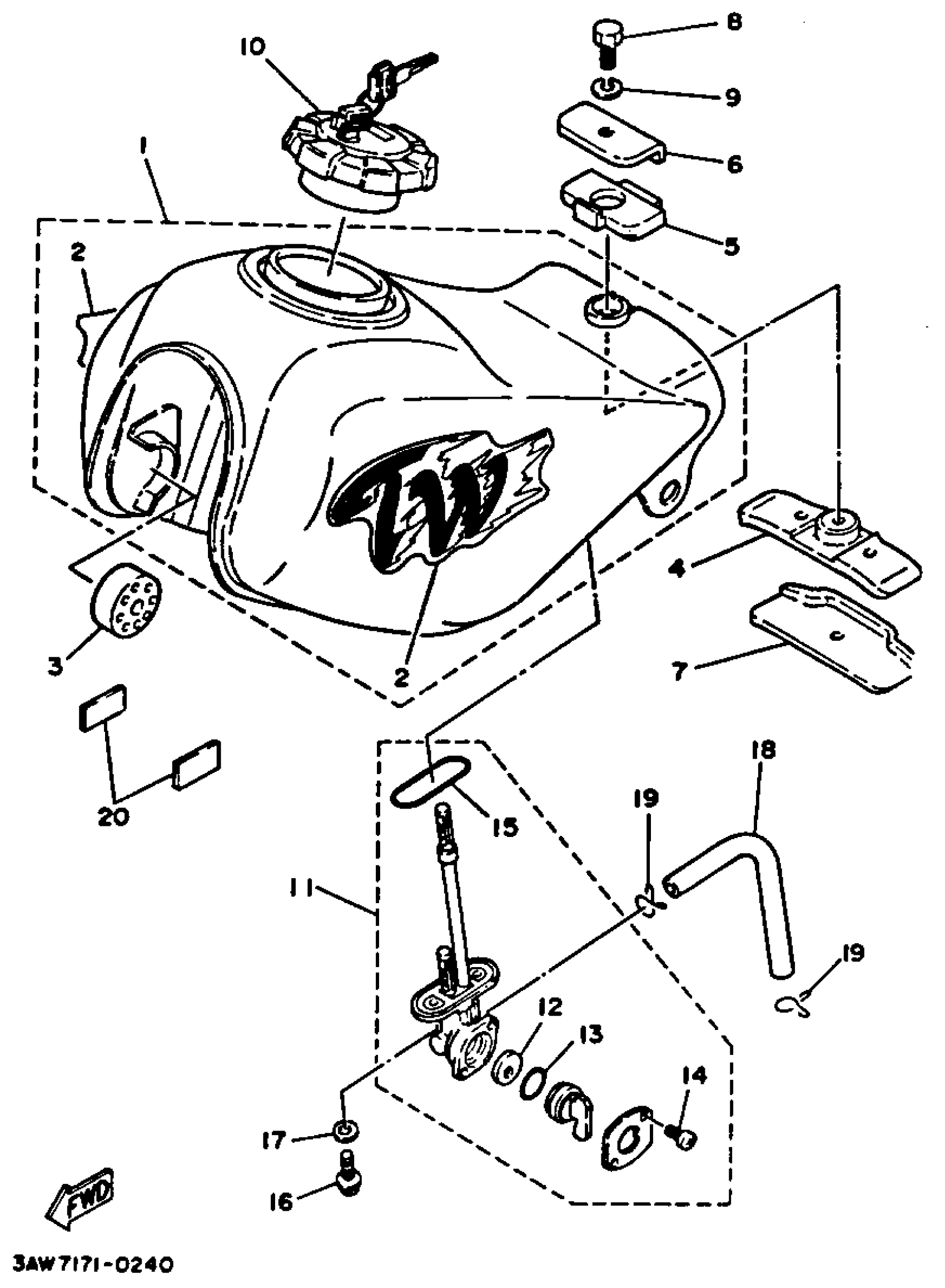
Yamaha TW200AC (TRAILWAY CA) 1990 FUEL TANK NON CALIFORNIA MODEL Diagram
#
Description
Price
1
FUEL TANK COMP
2JY-24110-00-06
Unavailable
1
FUEL TANK COMP.
2JY-Y2410-T0-01
Unavailable
2
. GRAPHIC, FUEL TANK 1
3AW-24244-10-00
Unavailable
2
. GRAPHIC, FUEL TANK 1 (YAMAHA BLACK)
3AW-24244-20-00
Unavailable
9
WASHER, SPRING
92995-06100-00
Unavailable
10
CAP ASSY
48Y-24602-00-00
Unavailable
14
SCREW, PAN HEAD (J10)
98580-03008-00
Unavailable
15
O-RING
4X8-24512-00-00
Unavailable
16
SCREW 256241430000
90149-06011-00
Unavailable
17
WASHER, PLATE(3MB)
90202-05187-00
Unavailable
18
HOSE (L200)
90445-10752-00
Unavailable
19
CLIP
90467-090A2-00
Unavailable
20
DAMPER, LOCATING 1
18A-21778-00-00
Unavailable
