- Partiron
- OEM Parts
- Yamaha
- motorcycle
- 1990
- TW200AC (TRAILWAY CA) 1990
CARBURETOR CALIFORNIA MODEL ONLY
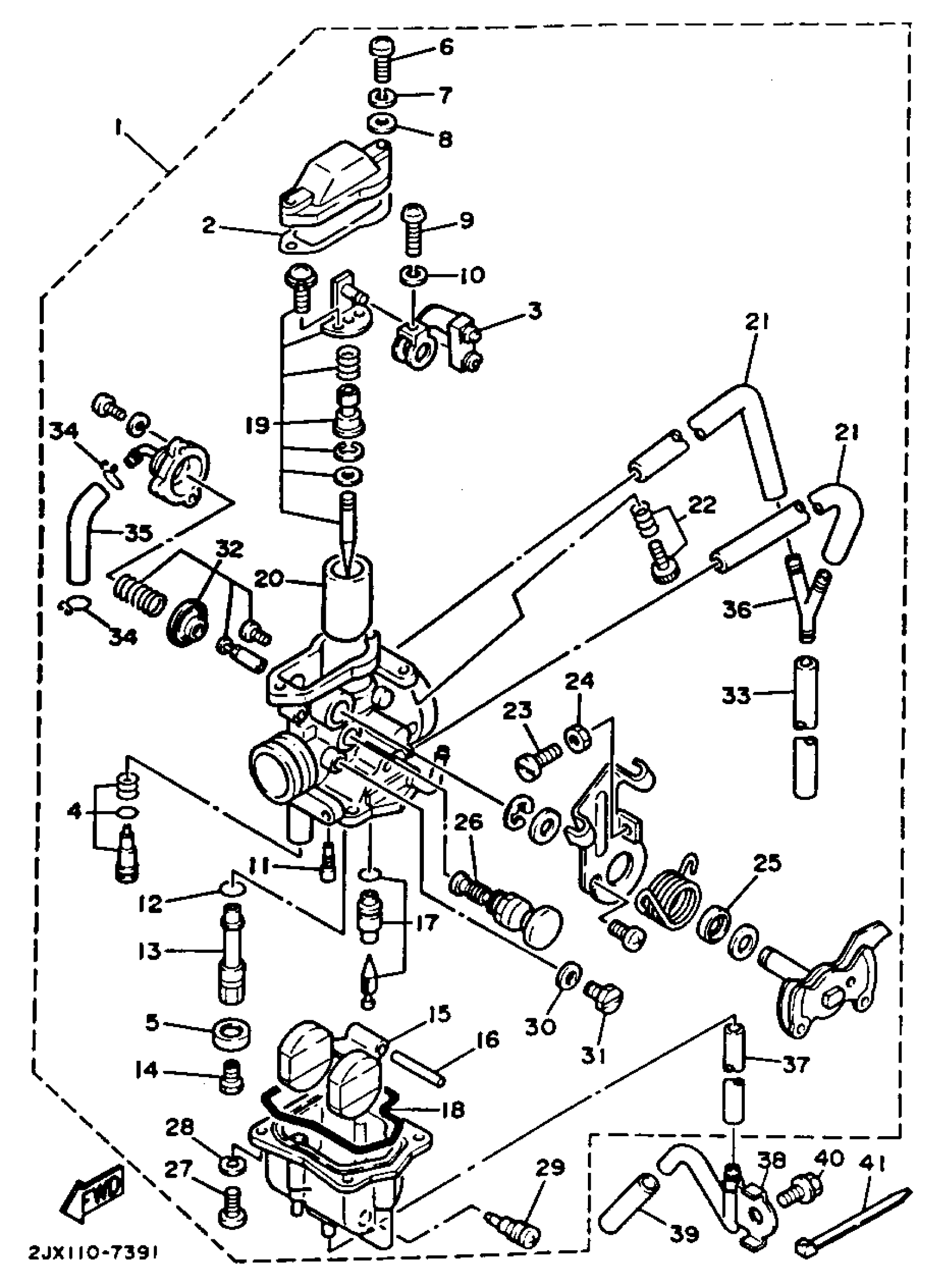
Yamaha TW200AC (TRAILWAY CA) 1990 CARBURETOR CALIFORNIA MODEL ONLY Diagram
#
1
CARBURETOR ASSY 1
2JX-14301-02-00
Unavailable
3
BRACKET 1
1LN-14291-00-00
Unavailable
13
. NOZZLE, MAIN
2JX-14341-00-00
Unavailable
14
. JET, MAIN (114)
288-14343-57-00
Unavailable
15
FLOAT
25N-14385-00-00
Unavailable
16
. PIN, FLOAT
6E5-14386-01-00
Unavailable
17
NEEDLE VALVE SET
2JX-14107-00-00
Unavailable
18
GASKET, FLOAT CHAMBER
30X-14384-00-00
Unavailable
19
. NEEDLE SET
2JX-1490J-00-00
Unavailable
20
VALVE, THROTTLE 1
2JX-14312-35-00
Unavailable
21
PIPE
5Y1-14197-00-00
Unavailable
22
. THROTTLE SCREW SET
3WP-14103-00-00
Unavailable
23
. SCREW, PAN HEAD
98580-04020-00
Unavailable
24
NUT
30X-14358-00-00
Unavailable
25
O-RING
5Y1-14572-00-00
Unavailable
26
PLUNGER, STARTER
51Y-14371-01-00
Unavailable
27
SCREW, PAN HEAD (98580-04012)
6K8-14125-00-00
Unavailable
29
PLUG, SCREW
5Y1-14115-00-00
Unavailable
30
GASKET
5H0-14126-00-00
Unavailable
31
SCREW
5H0-14991-00-00
Unavailable
32
DIAPHRAGM SET 1
5Y1-1490A-00-00
Unavailable
33
PIPE
56R-14196-00-00
Unavailable
34
CLIP (16G)
90467-08021-00
Unavailable
35
. PIPE
2JX-14149-00-00
Unavailable
36
WAY 3 (73A)
90413-05013-00
Unavailable
37
PIPE
5Y1-14396-00-00
Unavailable
38
PIPE
2JX-14193-00-00
Unavailable
39
HOSE (L200)
90445-07176-00
Unavailable
40
BOLT, FLANGE
95817-08012-00
Unavailable
41
CLAMP (34K)
90464-20064-00
Unavailable
